时间:2025-06-18 16:03
人气:
作者:admin
给大家分享TI的 ADS1299适用于生物电势测量的低噪声、8 通道、24 位模数转换器的应用手册、参数特性、 EDA模型与数据手册。
ADS1299数据手册免费下载
*附件:ads1299.pdf
ADS1299的 EDA模型免费下载
https://www.elecfans.com/p/eda-t0-p0.html?title=ADS1299
应用手册免费下载
Δ-Σ ADC 中的数字滤波器类型 (Rev. A)
*附件:ADC 中的数字滤波器类型.pdf
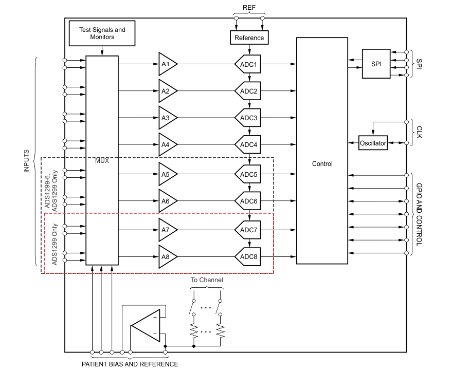
ADS1299-4、ADS1299-6 和 ADS1299 器件是一系列四通道、六通道和八通道低噪声、24 位同步采样 Δ-Σ 模数转换器(ADC)系列产品。该系列内置可编程增益放大器 (PGA)、内部基准以及板载振荡器。ADS1299-x 具备 颅外脑电图 (EEG) 和心电图 (ECG) 应用 所需的 全部常用功能。凭借高集成度和出色性能,ADS1299-x 能够以大幅缩小的尺寸、显著降低的功耗和整体成本构建可扩展的医疗仪器系统。[]()
ADS1299-x 在每条通道中配有一个灵活的输入多路复用器,该复用器可与内部生成的信号独立相连,完成测试、温度和导联断开检测。此外,可选择输入通道的任一配置生成患者偏置输出信号。提供可选 SRB 引脚,旨在将公共信号路由至参考蒙太奇配置的多路输入[]()。ADS1299-x 以 250SPS 至 16kSPS 的数据传输速率运行。可通过激励电流阱/电流源在器件内部实现导联断开检测。[]()
可在通道较多的系统中采用菊花链配置串联多个 ADS1299-4、ADS1299-6 或 ADS1299 器件。ADS1299-x 采用 TQFP-64 封装,工作温度介于 –40°C 至 +85°C 之间。
ADS1299的框图


ADS1299数据手册免费下载
*附件:ads1299.pdf
ADS1299的 EDA模型免费下载
https://www.elecfans.com/p/eda-t0-p0.html?title=ADS1299
应用手册免费下载
Δ-Σ ADC 中的数字滤波器类型 (Rev. A)
*附件:ADC 中的数字滤波器类型.pdf
最后再给大家分享一篇技术文章:# LHE7909与ADS1299两款模数转换器(ADC)在脑电图实验中的对比测试
https://www.elecfans.com/d/6745396.html
低噪音Δ-Σ模数转换器ADS1299的主要特性和应用范围
https://www.elecfans.com/analog/202008251280259.html
龙腾半导体SGT MOSFET LSGT085R018在智慧农业无