时间:2025-06-18 17:44
人气:
作者:admin
为了安全使用SiC模块,需要计算工作条件下的功率损耗和结温,并在额定值范围内使用。MOSFET损耗计算与IGBT既有相似之处,也有不同。相对IGBT,MOSFET可以反向导通,即工作在同步整流模式。本文简要介绍其损耗计算方法。
1MOSFET正向导通
图1为单个导通脉冲(电感负载)的电压电流波形及产生的损耗示意图。电流和电压的积分值就是产生的损耗,分为通态损耗和开关损耗。图1中,E(sat)为通态损耗,Eon和Eoff为开关损耗。

图1:单个导通脉冲(电感负载)损耗示意图
2MOSFET反向导通
如第17讲《SiC MOSFET的静态特性》所描述,反向导通(源漏方向)时,导通方式会根据栅极电压变化。如果栅极施加负压时,电流流过体二极管,如下图2。但是当栅极施加正压(超过阈值电压)时,电流流过MOSFET,如下图3。

图2:栅极负偏

图3:栅极正偏
如果MOSFET反向导通时栅极施加负压,电流流过体二极管(此处不考虑内部带SiC SBD的SiC模块),其损耗计算方式与IGBT一样,不再赘述,本章节重点介绍同步整流模式(MOSFET反向导通时栅极施加正压)下的损耗计算。
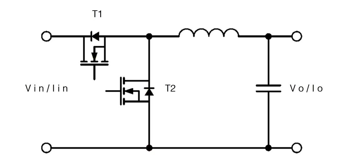
3直流斩波电路损耗计算
以工作在CCM模式的Buck电路(图4)为例来介绍SiC MOSFET损耗计算方法。Vin/Iin为输入电压电流,Vo/Io为输出电压电流。T1为控制管;T2为续流管,工作在同步整流模式。

图4:Buck电路
3.1 T1损耗计算
T1作为控制管,其占空比如下式:

T1导通损耗可由下式计算,其中RDS(on)为T1管的通态电阻。

T1开关损耗可由下式计算,其中VDD为SiC MOSFET datasheet中开关损耗测试电压,Eon(@Io)、Eoff(@Io)为datasheet中电流值Io对应的开关损耗,以上参数均可在datasheet中查找(除部分产品外,如有需要,可联系我司)。fsw为开关频率。

3.2 T2损耗计算
T2作为续流管,其占空比为1-D。
T2导通损耗可由下式计算:

T2零电压开关,所以没有开关损耗。但是在T1开通瞬间,T2体二极管会产生反向恢复损耗,可由下式计算。其中Err(@Io)为datasheet中电流值Io对应的开关损耗,也可在datasheet中查找(除部分产品外,如有需要,可联系我司)。

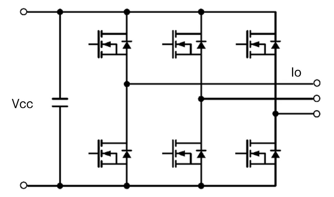
4SPWM调制桥式电路损耗计算
以SPWM调制的三相桥式电路(图5)为例来介绍SiC MOSFET损耗计算方法。VCC为直流电压,Io为输出电流有效值。MOSFET工作在同步整流模式。

图5:三相桥式电路
输出电流为:

导通损耗可由下式计算:

开关损耗可由下式计算,同样的,VDD为SiC MOSFET datasheet中开关损耗测试电压,Eon(@IP)、Eoff(@IP)为datasheet中电流值IP对应的开关损耗,可在datasheet中查找(除部分产品外,如有需要,可联系我司)。fsw为开关频率。

SiC MOSFET体二极管在对管开通时会产生反向恢复损耗,可由下式计算。其中Err(@IP)为datasheet中电流值IP对应的开关损耗,也可在datasheet中查找(除部分产品外,如有需要,可联系我司)。

正文完
<关于三菱电机>
三菱电机创立于1921年,是全球知名的综合性企业。截止2025年3月31日的财年,集团营收55217亿日元(约合美元368亿)。作为一家技术主导型企业,三菱电机拥有多项专利技术,并凭借强大的技术实力和良好的企业信誉在全球的电力设备、通信设备、工业自动化、电子元器件、家电等市场占据重要地位。尤其在电子元器件市场,三菱电机从事开发和生产半导体已有69年。其半导体产品更是在变频家电、轨道牵引、工业与新能源、电动汽车、模拟/数字通讯以及有线/无线通讯等领域得到了广泛的应用。
龙腾半导体SGT MOSFET LSGT085R018在智慧农业无