时间:2025-06-19 11:29
人气:
作者:admin
经常使用示波器测试的工程师都知道,示波器一般是具备带宽限制功能,即低通滤波设置,可以将一台大带宽示波器变为小带宽,减小宽带噪声影响,用以测试评估低频信号情况。例如,20MHz低通滤波,就经常应用于电源纹波测试中。然而,有越来越多的电源纹波、噪声的评估等,需要用到带通滤波器功能,即将被测信号通过带通滤波器后,再来评估其指标,如带通100KHz-10MHz、5MHz-50MHz等,不同被测物或测试场景,需要不同参数的带通滤波器设置。而示波器往往不具备灵活更改参数的带通滤波器设置的。
R&S公司的RTO6、RTP、MXO系列示波器,具备丰富的数学运算(Math)功能,支持加载用户自定义的FIR滤波器文件,来对捕获到的波形通过运算进行滤波,然后将滤波后的波形显示于屏幕中。并且自动参数测量等功能依然可以用于该运算滤波器后的波形,高效完成测试。
本文以RTO6系列示波器加载2MHz-10MHz的带通滤波器举例说明其使用方法。
步骤一
使用滤波器设计软件来生成FIR滤波器文件,以便让示波器加载使用
滤波器设计软件有多种,Python、Matlab等工具都可以使用。Python的PyFDA滤波器设计工具,它带有UI界面,和滤波器频响查看等功能,使用起来比较方便,本实验以此为例。
开启PyFDA后,如图1。类型选择BANDPASS, FIR,此处设计滤波器选择Kaiser窗,N阶数设置为1000阶,也可选择其他类型例如equiripple。fs 为采样率,此处设置为100MHz,该数值需要与示波器测试使用时设置的采样率保持一致。Frequency Spec一栏中输入我们期望的带通滤波器带宽范围为2MHz和6MHz,其他参数保持默认,点击Design Filter按钮。软件计算完成后,右侧出现该滤波器的幅频相应曲线,看到其响应基本符合需求。

图1
保存该滤波器文件为csv格式,命名BPF_2M_10M_SR100M.csv,如下图2所示。

图2
步骤二
RTO6示波器加载并使用该滤波器文件
如上所述,示波器基础设置中,开启带宽限制20MHz,采样率设置为对应的100MSa/s。
将该csv文件复制到示波器硬盘任意目录下;RTO6示波器加载该csv滤波器文件,设置方式为打开Math页面在M2的公式定义里,选择Filter->User Define->选择该csv文件,使能Display开关,这时,M2窗口里的波形即为滤波后的波形,设置界面参考图3。至此,设置结束。

图3
步骤三
验证滤波器效果
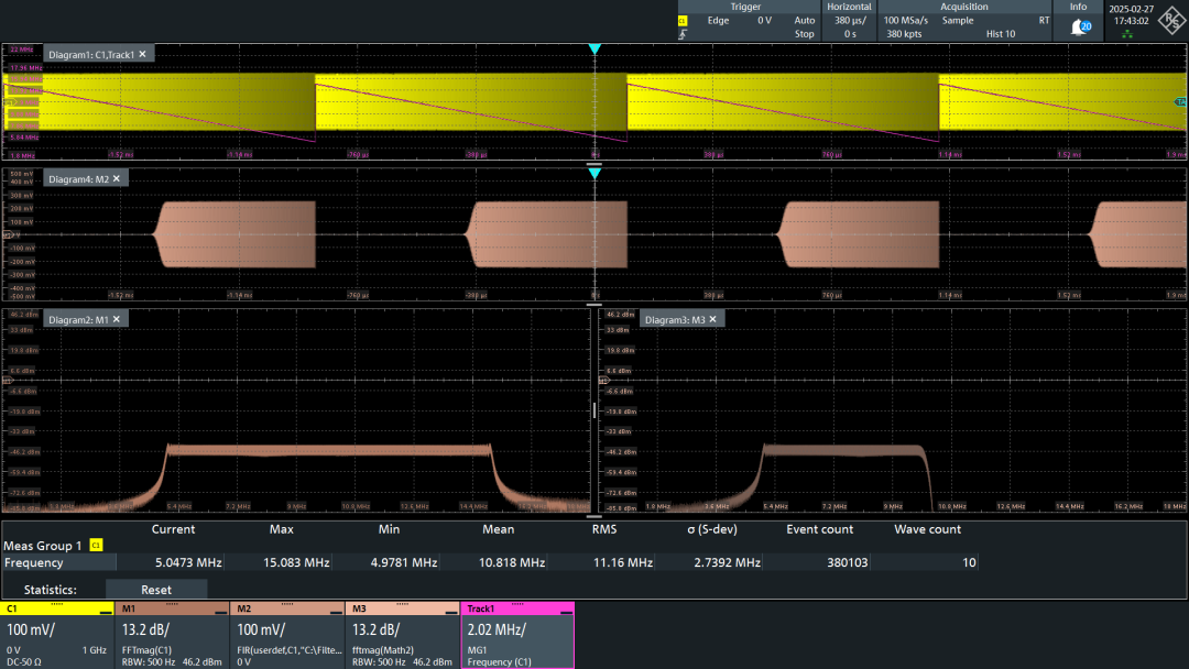
为验证该滤波器的效果,我们用RTO6示波器的集成波形发生器RTO6-B6发送扫频信号给示波器通道1,频率范围为8MHz至15MHz。
如之前所述,示波器设置20MHz带宽限制,100MSa/s采样率以保证正确的滤波频率。请注意:虽然示波器可加载该带通滤波器文件,但是依然需要设置示波器的固有的低通滤波器开启,此步骤是必要的,起到抗混叠滤波作用。
参考图4 ,可以看到上方黄色波形为通道1捕获的信号。紫色斜线Track1是示波器测量出的频率vs时间的曲线,显示该扫频信号的频率变化。下方M2为带通滤波(2MHz-10MHz)后之后的最终波形。可以看到经过滤波后,M2波形只保留了8MHz-10MHz范围的波形,高于10MHz的频率信号被抑制。
从频谱角度可以更清晰的显示出滤波效果。左下方M1是通道1的频谱,扫频信号范围为8MHz-15MHz,右下方频谱M3是针对经过带通滤波后,信号频率范围是8MHz-10MHz,带通滤波器效果符合预期。

图4
补充说明:依然需要设定示波器低通带宽限制的必要性,请参考如下实验。
故意取消示波器的低通20MHz限制,示波器此时带宽达到1GHz,波形发生器输出85MHz-95MHz的扫频信号,按照我们期望的效果,经过数字运算的带通滤波器后,应该大幅度衰减该信号所有频率成分。但是参考图5,无论是滤波后的时域信号M2还是频谱M3,都不符合预期。
这是由于示波器采样率只设置100MSa/s,在采集85MHz-95MHz信号时,采样率不够而造成混叠现象,错误的将该信号频率“认为是5MHz-15MHz”,在该阶段已经出现重建波形错误了。此时再通过数学运算的带通滤波器(2MHz-10MHz),只抑制了“错误认为”的大于10MHz的成分,而其他“错误认为”的频率成分依然在滤波器的通带内而不衰减。图5中显示,M2时域滤波后波形显示出其保留下的频率成分幅度与原始信号相同,而其频谱M3显示其频率范围是5MHz-10MHz,符合上述原因分析。因此,在使用该自定义滤波功能时,依然需要设定示波器的模拟带宽限制,避免混叠现象。

图5
结语
◎示波器加载自定义FIR滤波器的方式很灵活,有效帮助工程师验证和调试信号问题,例如电源纹波等测试场景。
◎设计该滤波器文件时,可以使用多种不同的滤波器设计软件。无论使用那种设计软件,最终导出其系数存为csv文件,被示波器调用即可。
◎设计滤波器文件时,需要考虑后续使用示波器测试时设置的采样率,二者应保持一致。滤波器带宽、采样率、滤波器阶数等参数是互相关联的,在设计时综合考虑。例如带宽要求很低频率,但采样率过高会导致滤波器阶数很高,设计软件计算量太大。应该保证采样率在最高通过频率的2.5倍或以上即可。参数的选择可结合软件生成的频响曲线,选择适当参数,满足需求即可。
◎为避免可能产生的混叠现象,应该始终注意设置带宽限制,使其既符合采样率的诉求,也要满足测试需要,大于所需要的带通滤波器的截止带宽。R&S示波器不仅具备常用的20MHz、200MHz带宽限制,同样具备10KHz、100KHz、50MHz、100MHz等多种步进设置,满足不同的测试场景需求。
罗德与施瓦茨业务涵盖测试测量、技术系统、网络与网络安全,致力于打造一个更加安全、互联的世界。成立90 年来,罗德与施瓦茨作为全球科技集团,通过发展尖端技术,不断突破技术界限。公司领先的产品和解决方案赋能众多行业客户,助其获得数字技术领导力。罗德与施瓦茨总部位于德国慕尼黑,作为一家私有企业,公司在全球范围内独立、长期、可持续地开展业务。
龙腾半导体SGT MOSFET LSGT085R018在智慧农业无