时间:2025-06-20 16:02
人气:
作者:admin
自“双碳”目标确定以来,我国能源绿色低碳转型稳步推进,光伏、风电、储能等新能源行业也迎来了井喷式发展。下图是一个光伏系统结构图,其中逆变器作为光伏发电系统的控制中枢,能够将太阳能电池板的输出可变直流电转换为并网或者供负载能够使用的交流电。
作为逆变器的“心脏”,功率器件的性能和可靠性对整个系统的重要性不言而喻。本期,就以瑞能650V 75A IGBT着手,浅谈瑞能650V 75A IGBT助推中国绿色发展。

为了满足市场对并网电压等级和装机容量不断扩大的需求,瑞能推出了650V 75A IGBT, 共有三个产品系列,分别是U系列(WG75N65U*),H系列(WG75N65H*)以及M系列(WG75N65M*)。其中M系列的产品具有≥ 5us 的短路耐受能力。
瑞能650V 75A IGBT采用的是先进的场截止(Field Stop)技术,先进的高密度沟槽技术保证了较低的导通压降和开关损耗。内部采用了超快软恢复二极管进行并联,优化了反向恢复特性,提高了器件开关动态性能,能够保证在拥有较快开关速度的同时优化客户的EMI。
瑞能650V 75A IGBT可以高效适配于光伏、储能、充电桩、焊接以及电机驱动等相关产品。比如可以适用于目前主流的户用10kw以下的单相逆变器的各个桥臂的开关管,也可以适用于60kW以下三相T-NPC逆变器的横管以及INPC或者ANPC逆变器的各个开关管。瑞能650V 75A IGBT产品拥有175oC的最大结温,能够给予客户更多的设计裕量。针对不同的应用场景,瑞能半导体也推出了不同的封装类型,有TO247, TO247-4L等。
瑞能650V 75A IGBT产品列表及关键参数

目前瑞能的650V 75A IGBT产品已经应用于诸多的客户产品中,并且在性能上表现出了一定优势。

瑞能650V 75A基于瑞能IGBT先进的晶圆技术及封装工艺,优化了IGBT开通关断的电压电流波形及反并联二极管的软恢复特性,有效阻止了器件开关震荡的发生,并且获得了更好的开关特性。
如下是在125C条件下满流工况下的开关波形,从图中可以看出瑞能75A IGBT开通关断更平滑,无高频震荡,更有利于客户的设计和使用。
测试条件: Tj=125℃, Vcc=400V, Rg=7.5ohm






左右滑动查看更多
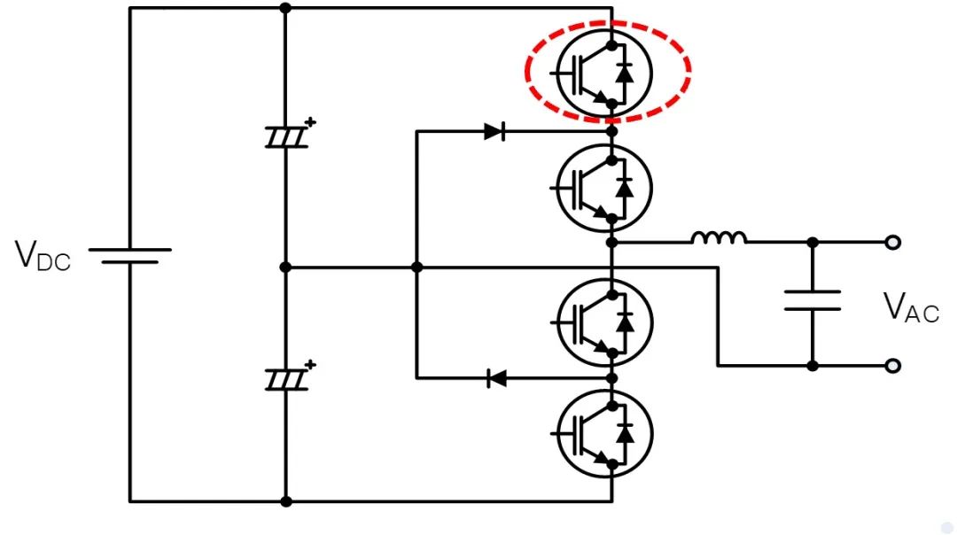
我们选择了一个INPC的外管(红色虚线所示)用来验证产品的性能。
测试条件: Vin=750V, Vout=220V,
Po=7.5KW, PF=1, L=200uH,
Fs=16kHz, Tc=100ºC,
Vge=+15/0V, Rg=10ohm

比如瑞能650V 75A U系列的损耗基本和竞品A公司的ES5持平,H系列的产品损耗略优于竞品A公司的EH5,这与客户的反馈基本一致。出色的损耗性能主要得益于瑞能IGBT先进的沟槽栅技术。


从仿真的结果来看,瑞能的75A IGBT有着出色的损耗及结温性能。
龙腾半导体SGT MOSFET LSGT085R018在智慧农业无