时间:2025-05-12 20:13
人气:
作者:admin
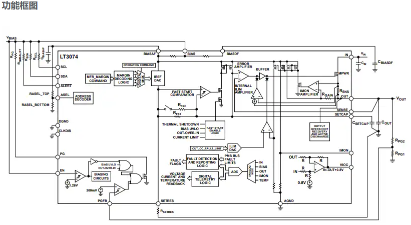
Analog DevicesInc. LT3074压差线性稳压器是低电压、低噪声、超快瞬态响应稳压器,设有PMBus串行接口。这些稳压器由带图形用户界面(GUI)的LTPowerPlay软件开发工具提供支持。LT3074稳压器支持PMBus兼容串行接口,用于控制、遥测和故障报告,工作频率范围为10kHz至400kHz。这些稳压器 为塞特雷斯引脚提供100µA的精密基准电流。LT3074稳压器具有跟踪特性(VOC),可控制上游开关稳压器,以保持恒定电压。这些稳压器可提供高达3A电流,典型压差为45mV。LT3074稳压器具有可编程电流限制、快速启动功能和可编程电源良好等特性。
LT3074稳压器设计用作后跟高性能单位增益放大器的精密电流源。这些稳压器可并联以降低噪声、改善输出电流以及在PCB上散热。LT3074稳压器采用22引脚(3mmx4mm)LQFN封装。这些稳压器用于低噪声仪器仪表、高精度数据转换器、射频电源和医疗应用。
*附件:LT3074 数据手册.pdf

龙腾半导体SGT MOSFET LSGT085R018在智慧农业无