时间:2025-05-13 09:23
人气:
作者:admin
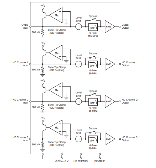
THS7373采用革命性的互补硅锗(SiGe)BiCom3X工艺制造,是一款低功耗、单电源、3-V至5-V、四通道集成视频缓冲器。它包含一个标准清晰度(CVBS)和三个高清(HD)滤波器通道。所有滤波器都具有六阶巴特沃斯特性,可用作数模转换器(DAC)重建滤波器或模数转换器(ADC)抗混叠滤波器。可以绕过HD滤镜来支持1080p60视频或高达四倍扩展图形阵列(QXGA)RGB视频。
数据手册:*附件:THS7373 具有1-SD和3-HD 6阶滤波器和6dB增益的4通道视频放大器技术手册.pdf
作为THS7373灵活性的一部分,输入可以配置为交流或直流耦合输入。300 mV的输出电平偏移允许在0-V输入的输出端实现全同步动态范围。交流耦合模式包括用于复合视频(CVBS)、Y′和G′B′R′信号的透明同步尖端箝位选项。通过在VS+上添加外部电阻器,可以很容易地实现C′/P′B/P′R通道的交流耦合偏置。
THS7373轨对轨输出级具有6-dB增益,可实现交流和直流线路驱动。驱动两条线路或75Ω负载的能力,使视频线路驱动器具有最大的灵活性。3.3V和0.1µA(禁用模式)下的16.2mA总静态电流使其成为电源敏感视频应用的绝佳选择。
THS7373采用无铅绿色(符合RoHS标准)的小型TSSOP-14封装。
特性
一个用于CVBS视频的SDTV视频放大器
三个HDTV视频放大器,适用于Y'/P'B/P'R、720p、1080i/1080p30或G'B'R'(R'G'B')
六阶低通滤波器:
CVBS信道:9.5-MHz时为-3 dB
高清频道:36 MHz时为3 dB,350 MHz旁路,支持1080p60
多功能输入偏置:
直流耦合300 mV输出偏移
AC耦合同步尖端夹
允许带偏置的交流耦合
内置6-dB增益(2V/V)
+3-V至+5V单电源操作
轨对轨输出:
输出摆动在距离轨道100 mV以内:允许交流或直流输出耦合
支持驱动两条视频线/通道
低总静态电流:3.3V时为16.2mA
禁用电源电流功能:0.1µA
低差分增益/相位:0.15%/0.25°
符合RoHS标准的包装:TSSOP-14
引脚功能和配置
典型特性
功能方框图
应用
机顶盒输出视频缓冲
PVR/DVDR/BluRay的输出缓冲
低功耗视频缓冲
龙腾半导体SGT MOSFET LSGT085R018在智慧农业无