时间:2025-05-13 09:26
人气:
作者:admin
一、 概述
在中国电动两轮车已经成为人们日常生活中必不可少的交通工具。自2019年国标(GB 17761-2018)实施后,48V新国标电动自行车逐渐成为市场主流,目前约占电动两轮车总销量的70%以上。屏蔽栅金属氧化物半导体场效应管(SGT-MOSFET)作为新国标电动自行车控制器的核心器件,其性能决定了控制器的整体效率和长期运行的可靠性和安全性。上海贝岭作为MOSFET市场的主要供应商之一,现推出针对新国标电动自行车控制器的新产品70V 5mΩ SGT MOSFET BLP05N07,该器件针对新国标电动自行车应用特点,结合多年SGT设计、生产经验,优化器件击穿电压和降低开关及导通损耗,助力客户产品安全高效运行。
二、 新国标电动自行车控制器应用解析
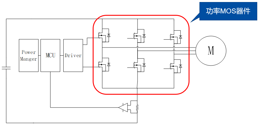
48V新国标电动自行车控制器是70V SGT MOSFET的主要应用场景,图1展示了该类驱动器的典型拓扑结构,其核心为6颗MOSFET器件组成的三相全桥逆变电路。该应用场景具有瞬态过载、短路电流大等特点,因此对MOSFET器件的技术要求主要是在短路工况和瞬态大电流工况下的可靠性。图2所示为主流新国标控制器在母线电压54V(即常规48V电池满电状态)下的短路波形,测得短路工况下MOSFET器件漏源极间电压过冲最高可达65.02V。传统电动自行车控制器普遍采用60V 器件,短路电压过冲值已接近60V器件的实际击穿电压,长期运行存在潜在风险。使用贝岭70V 器件可显著提升系统的安全冗余,有效增强整机安全性和可靠性。

图1 新国标电动自行车控制器拓扑图

图2 短路工况下功率器件漏源极间电压过冲
三、 贝岭SGT技术平台
截至目前,贝岭SGT产品线已经涵盖了40/60/70/80/85/100/135/150/200共9个电压档位,并衍生了上百款各种电流能力及各种封装形式的产品,且均已实现量产供货。出色的设计让贝岭SGT产品比市场主流竞品有显著性能优势,同时依托成熟的特色工艺线,保证了贝岭SGT产品在可靠性、良率、参数稳定性方面也有上佳表现。
四、 BLP05N07产品核心优势
能效领跑——低导通电阻Rds(on)
导通电阻决定了功率MOSFET在导通期间内的损耗,在同等规格、相同封装下,贝岭器件相较于市场主流竞品具有更低的导通电阻Rds(on)。

图3 导通电阻Rds(on) 对比
动态性能升级——低栅极电荷
栅电荷可以客观地描述驱动损耗,在同等规格、相同封装下,贝岭器件比市场主流竞品具有更小的栅电荷,可有效降低开关驱动损耗。

图4 栅极电荷对比
温控表现卓越——板级温升表现
得益于低导通电阻,在新国标电动自行车控制器400W稳态带载测试中,同等散热条件下,BLP05N07的温升比市场主流竞品低1.5℃,如图5所示。在两倍额定功率800W极限过载测试中,5分钟温升测试结果比市场主流竞品低2.5℃,如图6所示。此外,在相同输出功率条件下,贝岭器件低导通损耗的特点可以提高电动自行车的续航里程。

图5 新国标电动自行车控制器400W稳态温升测试

图6 新国标电动自行车控制器800W极限过载测试
抗短路能力强劲——8us超长耐受
贝岭BLP05N07的短路耐受能力可以满足新国标电动自行车控制器在48V电池满电压状态下发生短路的可靠性要求。图7为使用BLP05N07的控制器在54V 母线电压下的相间短路波形,器件短路耐受时长超过8us。

图7 母线电压54V下相间短路
五、 贝岭功率器件选型方案
上海贝岭功率针对新国标电动自行车、电动轻便摩托车、电动摩托车、电动叉车和轻型低速四轮车控制器应用设计有多条SGT产品线,包含70V、85V、100V、110V、135V和150V等电压等级器件,欢迎垂询!具体型号参考表1。

表1 功率器件选型列表
龙腾半导体SGT MOSFET LSGT085R018在智慧农业无