时间:2025-05-15 09:57
人气:
作者:admin
OPAx348 系列器件是单电源的低功耗 CMOS 运算放大器。OPAx348 系列器件具有 1MHz 的扩展带宽和 45µA 的电源电流,适用于采用 2.1V 至 5.5V 单电源供电的低功耗 应用 。
数据手册:*附件:OPA2348-Q1 汽车级、双通道、5.5V、1MHz、低静态电流 (45μA)、RRIO 运算放大器技术手册.pdf
OPAx348 系列器件具有 45µA 的低电源电流和 0.5pA 的输入偏置电流,因此是烟雾检测器和其他传感器等低功耗高阻抗 应用 的理想选择。
OPA348-Q1 器件采用 SOT23-5 (DBV) 和 SOIC (D) 封装。OPA2348-Q1 器件采用 SOIC-8 (D) 封装。OPA4348-Q1 器件采用 TSSOP-14 (PW) 封装。在全部电源电压范围内,–40°C 至 +125°C 的汽车温度范围可提高设计灵活性。
特性
• 符合汽车类应用的 标准
• 具有符合 AEC-Q100 标准的下列结果:
– 器件温度 1 级:-40℃ 至 +125℃ 的环境运行温
度范围
– 器件 HBM ESD 分类等级 2
– 器件 CDM ESD 分类等级 C4B
• 低静态电流 (IQ):45µA (Typ)
• 低成本
• 轨到轨输入和输出
• 单电源:2.1V 至 5.5V
• 输入偏置电流:0.5pA(典型值)
• 高速:宽带功率:1MHz
引脚功能和配置
典型特性
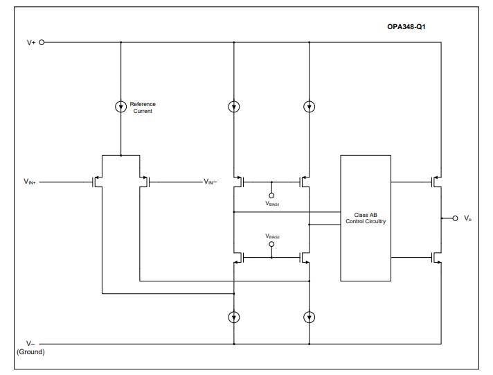
功能方框图
应用范围
• 便携式设备
• 电池供电类设备
• 烟雾报警器
• 一氧化碳 (CO) 检测器
• HEV/EV 和动力传动添加了项目符号
• 信息娱乐系统与仪表组
• 医疗仪器
龙腾半导体SGT MOSFET LSGT085R018在智慧农业无