时间:2025-05-15 10:17
人气:
作者:admin
TLV2262和TLV2264是德州仪器的双路和四路低压运算放大器。这两种设备都表现出轨对轨输出性能,可在单电源或分体式电源应用中提高动态范围。TLV226x系列在微功率TLV225x和TLC227x的交流性能之间实现了折衷。它为电池供电的应用提供了低电源电流,同时仍然为需要它的应用提供足够的交流性能。该系列在3 V和5 V下具有完全的特点,并针对低压应用进行了优化。与前几代CMOS放大器相比,噪声性能得到了显著提高。描述了该CMOS放大器的低噪声电压,每个放大器只有200µA(典型值)的电源电流。
数据手册:*附件:TLV2264A-Q1 汽车类四通道、高级 LinCMOS、轨至轨精密运算放大器技术手册.pdf
TLV226x具有高输入阻抗和低噪声,非常适合压电换能器等高阻抗源的小信号调理。由于微功耗水平与3-V操作相结合,这些设备在手持监测和遥感应用中工作良好。此外,具有单电源或分体式电源的轨到轨输出功能使该系列成为与模数转换器(ADC)接口时的绝佳选择。对于精密应用,TLV226xA系列可供选择,其最大输入偏移电压为950µV。
TLV2262/4在标准设计上也对TLV2332/4进行了重大升级。它们提供了更大的输出动态范围、更低的噪声电压和更低的输入偏移电压。这种增强的功能集允许它们在更广泛的应用中使用。对于需要更高输出驱动和更宽输入电压范围的应用,请参阅TLV2432和TLV2442设备。如果您的设计需要单放大器,请参阅TLV2211/21/31系列。这些器件是SOT-23封装中的单轨到轨运算放大器。它们的小尺寸和低功耗使其成为高密度电池供电设备的理想选择。
特性
具备汽车应用资格
输出摆动包括两个电源轨
低噪音。 . .f=1 kHz时的典型值为12 nV/Hz
低输入偏置电流。 . .典型1 pA
完全适用于单电源和分电源操作
低功率。 . .最大500µA
共模输入电压范围包括负轨
低输入偏移电压。 . .
TA=25°C时最大950µV
宽电源电压范围。 . .2.7伏至8伏
包括宏观模型
引脚图
典型特性
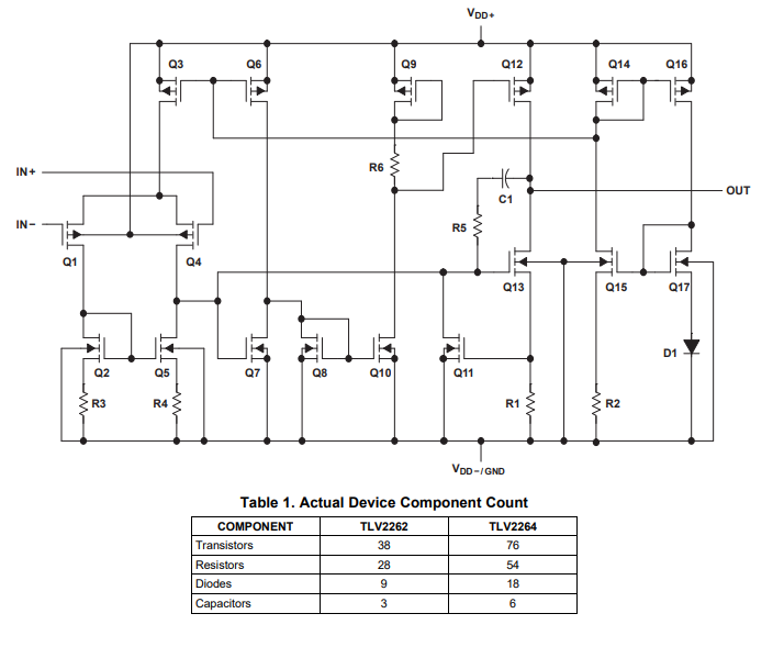
等效原理图
龙腾半导体SGT MOSFET LSGT085R018在智慧农业无