时间:2025-05-18 10:11
人气:
作者:admin
INA21x 为电压输出、分流监控器(也称作电流检测放大器)。该器件通常可针对系统优化提供过流保护和精密电流测量,还常用于闭环反馈电路。该系列器件可感测分流电阻在 –0.3V 至 26V 共模电压范围内的压降,与电源电压无关。共有六种固定增益可供选择:50V/V、75V/V、100V/V、200V/V、500V/V 或 1000V/V。零漂移架构的低偏移使得该器件能够在分流器上的最大压降低至 10mV(满量程)的情况下进行电流感应。
数据手册:*附件:INA214 26V、双向、高精度电流感应放大器技术手册.pdf
这些器件由 2.7V 至 26V 的单个电源供电,消耗的最大电源电流为 100µA。所有版本都具有–40°C 至 +125°C 的扩展额定工作温度范围,并且采用 SC70 和 UQFN 封装。
特性
• 更新了格式以匹配新的 TI 布局和流程。整个文档中
的表、图和交叉参考使用新的编号顺序
宽共模范围:-0.3V 到 26V
• 失调电压:±35µV(最大值,INA210)
(支持 10mV 满量程分流压降)
• 精度:
– 增益误差(最大过热误差):
• ±0.5%(版本 C)
• ±1%(版本 A 和 B)
– 0.5µV/°C 偏移漂移(最大值)
– 10ppm/°C 增益漂移(最大值)
• 增益选择:
– INA210:200V/V
– INA211:500V/V
– INA212:1000V/V
– INA213:50V/V
– INA214:100V/V
– INA215:75V/V
• 静态电流:100μA(最大值)
• SC70 和薄型 UQFN 封装:所有型号
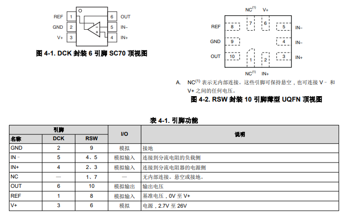
引脚功能和配置
典型特性
功能方框图
应用
• 笔记本电脑
• 手机
• 电信设备
• 电源管理
• 电池充电器
龙腾半导体SGT MOSFET LSGT085R018在智慧农业无