时间:2025-05-06 10:30
人气:
作者:admin
OPA1662-Q1 是一个双路双极输入运算放大器,非常适合作为信息娱乐和组合仪表系统中 高级音频设备的 外部放大器。音频系统所面临的首要任务是要确保清晰、高质量的输出信号,这意味着要最大程度地减少进入到信号中的任何噪声。OPA1662-Q1 可提供低噪声密度和 0.00006% 的超低失真 (1kHz),能够最大限度地增大信号输出。此外,该运算放大器在 2kΩ 负载下还可提供 600mV 范围内的轨至轨输出摆幅。宽余量可确保输出信号不发生削波,并由此保护音频质量。
数据手册:*附件:OPA1662-Q1 汽车类 Sound Plus、低功耗、低噪声和失真、音频运算放大器技术手册.pdf
OPA1662-Q1 可在 ±1.5V 至 ±18V,或者 3V 至 36V 这一非常宽的电源电压范围内运行,每通道电源电流仅为 1.5mA。宽电源范围使得器件获得了设计灵活性,因为它既可以从由电池驱动的功率放大器进行集成,也可以从由 ADC 到 DAC 驱动的功率放大器进行集成,以实现低功耗 应用。此外,该器件还具有 ±30mA 的高输出驱动能力,可作为低功耗应用的唯一 音频放大器,例如用于仪表组提示音。
此外,该器件还 具备 两个通道均使用完全独立的电路,可实现低串扰,即便在过驱动或过载时也不受每个通道间相互作用的影响。借助此功能,客户可轻松驱动两个不同的音频信号,因为信号之间不会相互影响。
OPA1662-Q1 提供 22MHz 的宽带宽和 17V/µs 的高转换率,可用于 SMPS 器件或电机驱动器中纹波电流的高侧和低侧感应。作为一个电流传感器,OPA1662-Q1 可作为峰值电流模式控制使用,借助该运算放大器,可为系统提供稳定性并可实现更高带宽。OPA1662-Q1 可应用于车身控制模块和通常使用电机的 HEV 或 EV 转换器。
特性
• 符合汽车应用 标准
• 具有符合 AEC-Q100 标准的下列结果
– 器件温度等级 3 级:环境工作温度范围为
–40°C 至 85°C
– 器件人体放电模式 (HBM) 静电放电 (ESD) 分类等级 H2
– 器件组件充电模式 (CDM) ESD 分类等级 C3B
• 低噪声: 1kHz 下为 3.3nV/√Hz
• 低失真:1kHz下为 0.00006%
• 低静态电流:每通道 1.5mA
• 转换率:17V/μs
• 宽增益带宽:22MHz (G = 1)
• 单位增益稳定
• 轨至轨输出
• 宽电源电压范围:±1.5V 至 ±18V,或 3V 至 36V
• 小型封装尺寸:
两种封装类型:8 引脚 SOIC 和 VSSOP
引脚功能和配置
典型特性
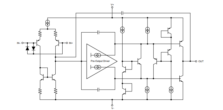
功能方框图
应用
• 汽车
• 车载音频
• 高级音频设备
• 外部音频放大器
• 车身控制模块
龙腾半导体SGT MOSFET LSGT085R018在智慧农业无