时间:2025-05-06 13:54
人气:
作者:admin
OPA4188 运算放大器采用 TI 专有的自动归零技术,可在时间和温度范围内提供低偏移电压(25µV,最大值)以及近似为零的漂移。此类微型、高精度、低静态电流放大器提供高输入阻抗以及不超过15mV 电源轨电压的轨到轨输出摆幅,非常适用于工业 集成电机驱动器解决方案。。输入共模范围包括负电源轨。单电源或双电源可在 4V 至 36V(±2V 至 ±18V)范围内使用。
数据手册:*附件:OPA4188 低噪声、轨到轨输出的、36V、零温漂运算放大器技术手册.pdf
该器件的四路版本采用 14 引脚小外形尺寸集成电路 (SOIC) 封装和 14 引脚薄型小外形尺寸 (TSSOP) 封装。所有器件版本的额定工作温度范围均为 -40°C 至 +125°C
特性
• 低偏移电压:25µV(最大值)
• 零漂移:0.03µV/°C
• 低噪声:8.8 nV/√Hz
0.1Hz 至 10Hz 噪声:0.25µVPP
• 出色的直流精度:
电源抑制比 (PSRR):142dB
共模抑制比 (CMRR):146dB
开环路增益:136dB
• 增益带宽:2MHz
• 静态电流:475µA(最大值)
• 宽电源电压:±2V 至 ±18V
• 轨到轨输出:输入包括负电源轨
• 已过滤射频干扰 (RFI) 的输入
• 微型尺寸封装
引脚功能和配置
典型特性
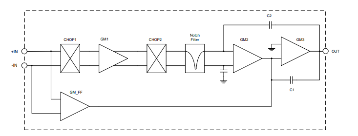
功能方框图
应用范围
• 桥式放大器
• 应力计
• 测试设备
• 传感器 应用
• 温度测量
• 电子称
• 医疗仪表
• 电阻式温度检测器
• 精密有源滤波器
龙腾半导体SGT MOSFET LSGT085R018在智慧农业无