时间:2025-05-08 11:24
人气:
作者:admin
OPA170、OPA2170 和 OPA4170 器件 (OPAx170) 属于 36V、单电源、低噪声运算放大器系列,该系列放大器采用微型封装,能够在 2.7V (±1.35V) 至 36V (±18V) 的电源电压范围内运行。它们在保证低静态电流的情况下提供令人满意的偏移、漂移和带宽。单通道、双通道和四通道版本均具有相同的技术规格,可最大程度地提高设计灵活性。
数据手册:*附件:OPA4170 四通道、36V、1.2MHz、低功耗运算放大器技术手册.pdf
大多数运算放大器仅有一个指定电源电压,OPAx170 系列运算放大器则有所不同,它们可在 2.7V 至 36V 的额定电压范围内运行。超过电源轨的输入信号不会导致相位反转。OPAx170 系列在电容负载高达 300pF 时保持稳定。输入可在负电源轨以下 100mV 以及正电源轨 2V 之内正常运行。请注意,这些器件可在正电源轨之上 100mV 的满轨到轨输入上运行,但是在正电源轨 2V 内运行时,性能会受到影响。OPAx170 运算放大器额定运行温度范围为 -40°C 至 +125°C。
特性
• 电源电压范围:2.7V 至 36V,±1.35V 至 ±18V
• 低噪声:19 nV/√Hz
• 已过滤的射频干扰 (RFI) 输入
• 输入范围包括负电源
• 输入范围运行至正电源
• 轨到轨输出
• 增益带宽:1.2MHz
• 低静态电流:每个放大器 110µA
• 高共模抑制:120dB
• 低偏置电流:15pA(最大值)
• 采用行业标准封装和微型封装
• 使用 OPAx170 并借助 WEBENCH® 电源设计器 创建定制设计
引脚功能和配置
典型特性
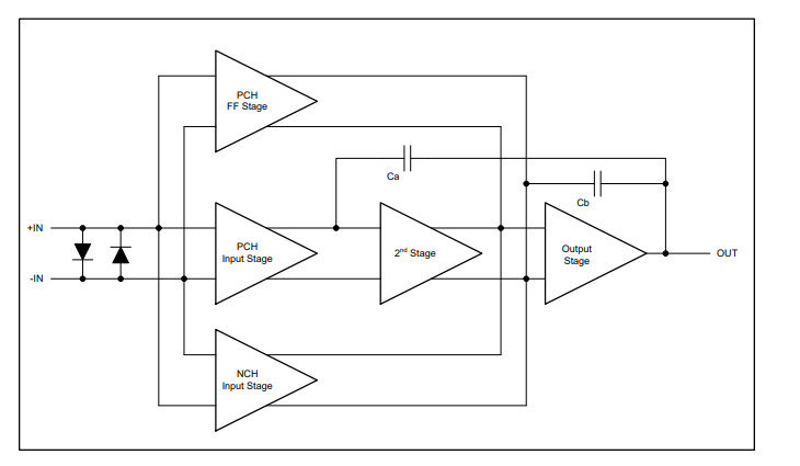
功能方框图
应用
• 电源模块内的跟踪放大器
• 商用电源
• 传感器放大器
• 桥式放大器
• 温度测量
• 应力计放大器
• 精密积分器
• 电池供电仪器
• 测试设备
龙腾半导体SGT MOSFET LSGT085R018在智慧农业无