时间:2025-05-08 11:50
人气:
作者:admin
TLE2141-Q1 是一款高性能、内部补偿运算放大器,此期间使用德州仪器互补双极 Excalibur 工艺制造。 它是标准工业产品的引脚兼容升级产品。
数据手册:*附件:TLE2141-Q1 汽车类低噪声高速精密运算放大器技术手册.pdf
这个设计包含一个输入级,可同时实现含有一个 10-Hz 1/f 弯曲的 10.5 nV/√Hz的低音频频带噪音和典型负载高达 800 pF的对称 40-V/μs 转换率。 这引起的低失真和高功率带宽在高保真音频应用中非常重要。 达到具有 2-kΩ/100-pF 负载的 10-V 阶跃 0.1% 的 340 ns快速建立时间 在快速致动器/定位驱动器中十分有用。 在相似的测试环境下, 达到 0.01% 的建立时间是 400 ns。
虽然 6-MHz 带宽减少至高负载电平时的 1.8 MHz,此器件在电容负载高达 10 nF时,仍保持稳定。 例如, TLE2141-Q1 用于低固定偏差采样保持电路和长电缆的直接缓冲, 包括 4-mA 至 20-mA 电流环路。
此特别设计也显示了一个改进了的对内在集成电路组件不匹配时的不敏感性,这一点可由一个最大 500-μV 偏移电压和1.7-μV/°C 典型电压漂移来得以证明。 最小共模抑制比和电源电压抑制比分别为 85 dB 和 90 dB。
在电压范围为 ±2-V 至 ±22-V 时,器件性能与电源电压无关。 虽然过多的输入电流可能从每个超过较低共模输入范围的输入中流出,输入可在不导致相位反转的情况下,工作在 VCC– – 0.3 V 至 VCC+ – 1.8 V 的电压范围内。 在轻电流负载条件下,该全-npn 输出级提供一个VCC– – 0.1 V 至 VCC+ – 1 V的接近轨到轨的输出摆幅 。 由于输出电流是内部有限的, 此器件能够为任一电源保持短接,但是必须小心以保证不超过最大封装功率耗散。
TLE2141-Q1 也可被用于比较器。 在不对器件造成损害的情况下,VCC± 的差分输入可被保持。 含有TTL电源电平的开环传播延迟典型值为 200 ns. 当该器件驱动电压超过建议输出电压摆幅限制的时候,会给出一个正常指示来标示输出级饱和恢复。
TLE2141-Q1 采用工业标准 8-引脚封装。 该器件工作温度范围 –40°C 至 125°C。
特性
• 符合汽车应用要求 • 在 25°C下,低 VIO … 500 μV (最大值)
• 低噪声 • 单一或分电源 … 4 V 至 44 V
– 10 Hz … 15 nV/√Hz • 快速建立时间
– 1 kHz … 10.5 nV/√Hz – 340 ns 达到 0.1%
• 10000-pF 负载能力 – 400 ns 达到 0.01%
• 20-mA 最小短路输出电流 • 饱和恢复 … 150 ns
• 27-V/μs 转换率 (最小值) • 大输出摆幅 …
• 高增益-带宽产品 … 5.9 MHz VCC– + 0.1 V 至 VCC+ – 1 V
引脚配置
典型特性
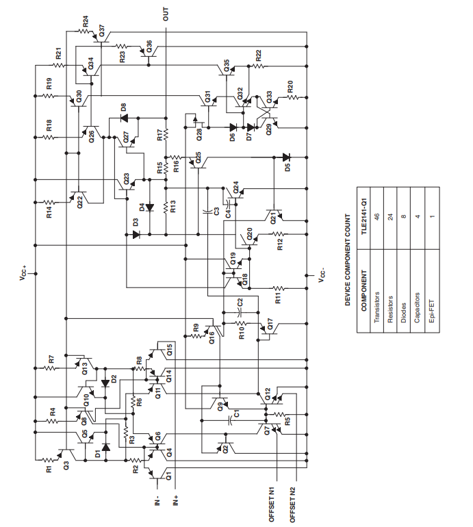
等效原理图

龙腾半导体SGT MOSFET LSGT085R018在智慧农业无