时间:2025-05-09 09:37
人气:
作者:admin
LMH6522包含四个高性能数控可变增益放大器(DVGA)。它被设计用于窄带和宽带中频采样应用。通常,LMH6522在广泛的混合信号和数字通信应用中驱动高性能ADC,例如需要自动增益控制(AGC)来增加系统动态范围的移动无线电和蜂窝基站。
数据手册:*附件:LMH6522 高性能四路DVGA技术手册.pdf
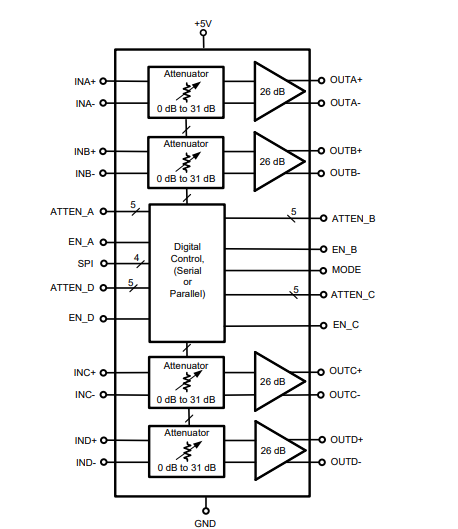
LMH6522的每个通道都有一个独立的数控衰减器和一个高线性差分输出放大器。所有电路都经过优化,以实现低失真和最大的系统设计灵活性。功耗由三态启用引脚管理。可以禁用单个信道或将其置于低功率模式或更高性能的高功率模式。
LMH6522数控衰减器在31dB范围内提供精确的1dB增益步长。数字衰减器可以通过SPI串行总线或高速并行总线进行控制。
输出放大器具有差分输出,允许在单个5V电源上进行大信号摆动。低阻抗输出在驱动宽范围滤波器设计或模数转换器时提供了最大的灵活性。对于信号电平变化很大的应用,LMH6522可以通过级联信道支持高达62dB的增益范围。
LMH6522在-40°C至+85°C的工业温度范围内运行。LMH6522采用54引脚、热增强型WQFN封装。
特性
OIP3:200MHz时为49dBm
噪声系数:8.5dB
电压增益:26dB
1dB增益步长
−1400 MHz的3dB带宽
增益步长精度:0.2 dB
禁用每个通道的功能
并行和串行增益控制
低功耗模式,实现电源管理灵活性
小尺寸WQFN封装
引脚功能和配置
典型特性
功能方框图
应用
蜂窝基站
宽带和窄带低频采样
接收者
宽带直接转换
ADC驱动器
龙腾半导体SGT MOSFET LSGT085R018在智慧农业无