时间:2025-05-10 10:19
人气:
作者:admin
OPA140、OPA2140 和 OPA4140 (OPAx140) 运算放大器 (op amp) 系列是一系列具有良好漂移和低输入偏置电流的低功耗 JFET 输入放大器。凭借其包括 V- 在内的轨到轨输出摆幅和输入范围,设计人员可以利用 JFET 放大器的低噪声特性,同时还可以连接到现代单电源精密模数转换器 (ADC) 和数模转换器 (DAC)。
数据手册:*附件:OPA4140 具有轨到轨输出的四通道、11MHz、低噪声、36V、JFET精密运算放大器技术手册.pdf
OPA140 可实现 11MHz 单位增益带宽和 20V/µs 压摆率,同时仅消耗 1.8mA(典型值)的静态电流。该器件由 4.5V 至 36V 单电源或 ±2.25V 至 ±18V 双电源供电。
所有器件版本的额定工作温度范围均为 –40°C 至 +125°C,可用于最具有挑战性的环境中。OPA140(单通道)采用 5 引脚 SOT-23、8 引脚 VSSOP 和 8 引脚 SOIC 封装。OPA2140(双通道)采用 8 引脚 SON、8 引脚 VSSOP 和 8 引脚 SOIC 封装。OPA4140(四通道)采用 14 引脚 SOIC 和 14 引脚 TSSOP 封装。
特性
• 非常低的温漂:1 μV/°C(最大值)
• 极低的偏移:120 μV
• 低输入偏置电流:10 pA(最大值)
• 超低的 1/f 噪声:250nVPP(0.1Hz 至 10Hz)
• 低噪声:5.1 nV/√Hz
• 压摆率:20 V/μs
• 低电源电流:2 mA(最大值)
• 输入电压范围包括 V– 电源
• 单电源运行:4.5V 至 36V
• 双电源供电:±2.25V 至 ±18V
• 无相位反转
• 封装:
– 业界通用 SOIC、SON、SOT-23、TSSOP 和VSSOP
引脚功能和配置
典型特性
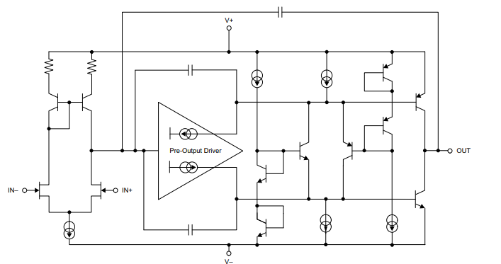
功能方框图
应用
• 数据中心内部互联(地铁)
• 半导体测试
• 化学和气体分析仪
• 直流电源、交流电源、电子负载
• 数据采集 (DAQ)
• 实验室和现场仪表
龙腾半导体SGT MOSFET LSGT085R018在智慧农业无