时间:2025-05-11 14:47
人气:
作者:admin
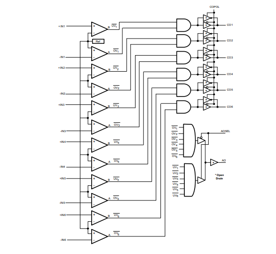
LMV7231设备是一个精度为1.5%的十六进制窗口比较器,可用于监测电源电压或任何其他模拟输出,如模拟温度传感器或电流传感放大器。该设备使用内部400 mV参考作为比较器跳闸值。比较器的设定点可以通过外部电阻分压器进行设置。LMV7231具有6个输出(CO1至CO6),用于为每个电源输入发出欠压或过压事件信号。当任何电源输入发生过压或欠压事件时,还提供输出(AO)以发出信号。这种为单个电源输入发出欠压或过压事件信号的能力,以及在任何电源输入上发出此类事件信号的输出,增加了无与伦比的系统保护能力。
数据手册:*附件:LMV7231 精密微功耗十六路比较器技术手册.pdf
2.2V至5.5V的电源电压范围、低电源电流和V+以上的输入或输出电压范围使LMV7231成为各种电源监控应用的理想选择。确保在-40°C至+125°C的温度范围内运行。该器件采用24针WQFN封装。
功能
(对于VS=3.3V+10%,除非另行说明,否则为典型
欠压和过压检测
高精度基准电压:400 mV
阈值精度:+1.5%(最大)
宽电源电压范围:2.2 V至5.5 V
V+以上的输入和输出电压范围
内部磁滞:6 mV
传播延迟:2.6微秒至5.6微秒
每个通道的电源电流为7.7μA
24引线WQFN封装
温度范围:-40℃至+125℃
引脚功能和配置
典型特性
功能方框图
应用
电源电压监测
电池监控
手持式仪器
继电器驱动
工业控制系统
龙腾半导体SGT MOSFET LSGT085R018在智慧农业无