时间:2025-04-25 15:01
人气:
作者:admin
THS6212 是一款具有电流反馈架构的差分线路驱动器放大器。该器件专用于宽带电力线通信 (PLC) 线路驱动器应用,运行速度飞快,足以支持 14.5dBm 线路功率的传输(在最高 30MHz 的频率下)。
数据手册:*附件:THS6212 高速差分宽带、PLC-HPLC、线路驱动器放大器技术手册.pdf
THS6212 采用独特架构,在更大限度降低静态电流的同时仍能实现超高线性度。满偏置条件下的差分失真在 1MHz 时为 –86dBc,在 10MHz 时降至仅 –71dBc。这款放大器具有多种固定偏置设置,对于无需放大器发挥全部性能的线路驱动器而言,可显著节能。此外,还可以通过可调电流引脚 (IADJ) 进一步降低偏置电流,从而实现更为出色的灵活性与节能效果。
49VPP(100Ω 差分负载)的宽输出摆幅搭配 28V 电源以及超过 650mA 的电流驱动能力(25Ω 负载),使得该器件拥有较宽的动态余量,能够将失真限制在尽可能低的水平。
THS6212 采用 24 引脚 VQFN 封装。
特性
• 低功耗:
– 满偏置模式:23mA
– 中偏置模式:17.5mA
– 低偏置模式:11.9mA
– 低功耗关断模式
– IADJ 引脚,用于调节偏置电流
• 低噪声:
– 电压噪声:2.5nV/√Hz
– 反相电流噪声:18pA/√Hz
– 同相电流噪声:1.4pA/√Hz
• 低失真:
– –86dBc HD2(1MHz,100Ω差分负载)
– –101dBc HD3(1MHz,100Ω 差分负载)
• 高输出电流:> 665mA(25Ω 负载)
• 宽输出摆幅:
– 49VPP(28V,100Ω 差分负载)
• 高带宽:205MHz (GDIFF = 10V/V)
• PSRR:在 1MHz 频率下提供 >55dB 的良好隔离
• 宽电源电压范围:10V 至 28V
• 过热保护:175°C(典型值)
• 具有集成共模缓冲器的替代器件:THS6222
引脚功能和配置
典型特性
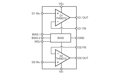
功能方框图
应用
• 高电压、高电流驱动
• 宽带电力线通信
龙腾半导体SGT MOSFET LSGT085R018在智慧农业无