时间:2025-04-27 11:28
人气:
作者:admin
TLVx333 系列 CMOS 运算放大器不但具备精密的性能,而且价格极具竞争力。这些器件属于采用专有自动校准技术的零漂移系列放大器,在整个时间和温度范围内的失调电压非常低(最大 15µV)且几乎零漂移,并且静态电流只有 28µA。TLVx333 系列 具有 轨至轨输入和输出以及几乎不变的 1/f 噪声特性,因此,这款放大器是众多 应用 的理想之选,而且更易于系统设计。这些器件经过优化,适合在 1.8V (±0.9V) 至 5.5V (±2.75V) 的低压状态下工作。
数据手册:*附件:TLV4333 适用于成本敏感型系统的四路、350kHz、低噪声、RRIO、CMOS运算放大器技术手册.pdf
TLV333(单通道版本)提供 SC70-5、SOT23-5 和 SOIC-8 三种封装。TLV2333(双通道版本)提供 VSSOP-8 和 SOIC-8 两种封装。TLV4333 提供标准 SOIC-14 和 TSSOP-14 两种封装。所有器件版本的额定工作温度范围均为 -40°C 至 +125°C。
特性
• 非常出色的性价比
• 低失调电压:2μV
• 零点漂移:0.02μV/°C
• 低噪声:1.1 μVPP,0.1Hz 至 10Hz
• 静态电流:17μA
• 电源电压:1.8V 至 5.5V
• 轨到轨输入/输出
• 内部电磁干扰 (EMI) 滤波功能
• 微型封装:SOT23、SC70
引脚功能和配置
典型特性
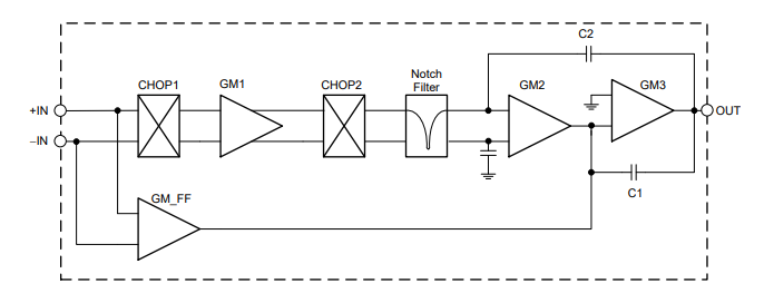
功能方框图
应用
• 电池供电仪器
• 温度测量
• 传感器 应用
• 电子称
• 医疗仪表
• 手持测试设备
• 电流检测
龙腾半导体SGT MOSFET LSGT085R018在智慧农业无