时间:2025-04-28 14:32
人气:
作者:admin
TLV170x 系列器件提供宽电源范围、轨到轨输入、低静态电流和低传播延迟。 所有这些特性均符合行业标准,采用极小封装,借此,这些器件得以成为目前市场上可提供的最佳通用比较器。
数据手册:*附件:TLV1701 单路高电压低功耗比较器技术手册.pdf
集电极开路输出具有能够将输出拉至任意电压轨(最大可高出负电源 +36V)的优势,且不受 TLV170x 电源电压影响。
这些器件均可提供单通道 (TLV1701)、双通道 (TLV1702) 和四通道 (TLV1704) 三种版本。 低输入偏移电压、低输入偏置电流、低电源电流和开集配置使得 TLV170x 系列能够灵活处理从简单电压检测到驱动单个继电器的大多数应用。
特性
引脚功能和配置
典型特性
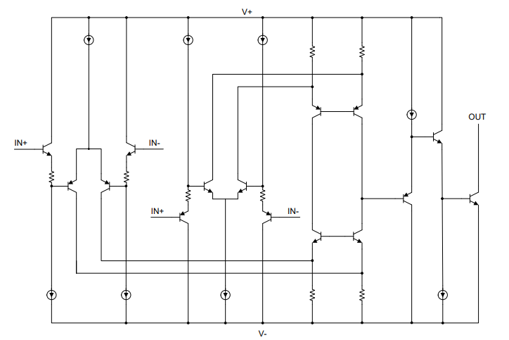
功能方框图
龙腾半导体SGT MOSFET LSGT085R018在智慧农业无