时间:2025-04-28 14:40
人气:
作者:admin
LMH5401 器件是一款针对射频 (RF)、中频 (IF) 或高速直流耦合时域 应用。该器件非常适合于直流耦合或交流耦合 应用 。LMH5401 在 SE-DE 或差分到差分 (DE-DE) 模式下工作时产生的二次谐波和三次谐波失真非常低。
数据手册:*附件:LMH5401 8GHz、超宽带、全差动放大器技术手册.pdf
此放大器针对 SE-DE 和 DE-DE 系统进行了优化。此器件具有直流到 2GHz 的超高可用带宽。LMH5401 可在广泛的 应用 (如测试与测量、宽带通信以及高速数据采集)中用于在信号链中进行 SE-DE 转换,而无需外部平衡-非平衡变压器。
该器件提供了共模参考输入引脚,以便使放大器输出共模符合 ADC 输入要求。可选电源范围介于 3.3V 和 5V 之间,并且可根据应用要求支持双电源供电。掉电功能还可实现节能。
当器件由 5V 电源供电且达到 275mW 超低功耗时才能实现这一性能等级。该器件采用德州仪器 (TI) 先进的互补 BiCMOS 工艺制成,并且采用节省空间的 UQFN-14 封装以实现更高的性能。
特性
• 增益带宽产品 (GBP):8GHz
• 出色的线性性能:
直流到 2GHz,G = 12dB
• 转换率:17,500V/μs
• 二次谐波失真 (HD2) 和三次谐波失真 (HD3) 较低
(1 VPP,200Ω,DE-DE,G = 12dB):
– 100MHz:HD2 为 –104dBc,HD3 为 –96dBc
– 200MHz:HD2 为 –95dBc,HD3 为 –92dBc
– 500MHz:HD2 为 –80dBc,HD3 为 –77dBc
– 1GHz:HD2 为 –64dBc,HD3 为 –58dBc
• 二阶互调失真 (IMD2) 和三阶互调失真 (IMD3) 较低
(2 VPP,200Ω,DE-DE,G = 12dB):
– 200MHz:IMD2 为 –96dBc,IMD3 为 –95dBc
– 500MHz:IMD2 为 –80dBc,IMD3 为 –83dBc
– 1GHz:IMD2 为 –70dBc,IMD3 为 –63dBc
• 输入电压噪声:1.25 nV/√Hz
• 输入电流噪声:3.5pA/√Hz
• 支持单电源和双电源供电
• 功耗:55mA
• 掉电功能
引脚功能和配置
典型特性
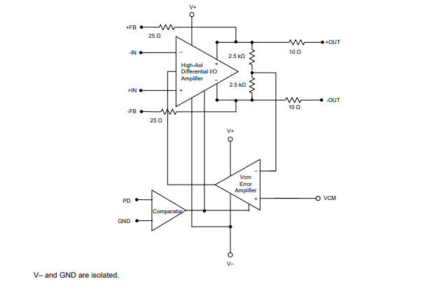
功能方框图

应用
• 每秒千兆次采样 (GSPS) 模数转换器 (ADC) 驱动器
• 用于高速数据采集的 ADC 驱动器
• 用于基于微波的 1GBPS 以太网的 ADC 驱动器
• 数模转换器 (DAC) 缓冲器
• 中频 (IF)、射频 (RF) 和基带增益模块
• SAW 滤波缓冲器和驱动器
• 平衡-非平衡变压器替代产品(直流到 2GHz)
• 电平转换器
龙腾半导体SGT MOSFET LSGT085R018在智慧农业无