时间:2025-04-29 14:40
人气:
作者:admin
OPA172、OPA2172 和 OPA4172 (OPAx172) 属于 36V、单电源、低噪声运算放大器系列,该系列放大器能够在 +4.5V (±2.25V) 至 +36V(±18V) 的电源范围内运行。这款最新补充的高压 CMOS 运算放大器与 OPAx171 和 OPAx170 搭配,为用户提供了广泛的带宽、噪声和功率选择,可以满足各种应用的 需要。OPAx172 采用微型封装并且提供低偏移、漂移和静态电流。这些器件还提供宽带宽、快速转换率和高输出电流驱动能力。单通道、双通道和四通道版本均具有相同的技术规格,可最大程度地提高设计灵活性。
数据手册:*附件:OPA172 单通道、36V、10MHz、低功耗运算放大器技术手册.pdf
与大多数只在一个电源电压下额定运行的运算放大器不同,OPAx172 系列可在 +4.5 至 +36V 的电压范围内额定运行。超过电源轨的输入信号不会导致相位反向。输入可在负电源轨以下 100mV 以及正电源轨 2V 之内正常运行。请注意这些器件可在正电源轨之上 100mV 的满轨到轨输入上运行,但是在正电源轨 2V 之内运行时性能会受到影响。
特性
• 宽电源范围:
+4.5V 至 +36V,±2.25V 至 ±18V
• 低偏移电压:±0.2mV
• 低偏移漂移:±0.3µV/°C
• 增益带宽:10MHz
• 低输入偏置电流 :±8pA
• 低静态电流:每放大器 1.6mA
• 低噪声:7nV/√Hz
• 已过滤电磁干扰 (EMI) 和射频干扰 (RFI) 的输入
• 输入范围包括负电源
• 输入范围运行至正电源
• 轨到轨输出
• 高共模抑制:120dB
• 行业标准封装:
– SOIC-8、VSSOP-8、SOIC-14、TSSOP-14
• 微型封装:单电源版本采用 SC70 和 SOT-23 封装;双电源版本采用 WSON-8 封装
引脚功能和配置
典型特性
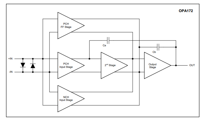
功能方框图
应用
• 电源模块内的跟踪放大器
• 商用电源
• 传感器放大器
• 桥式放大器
• 温度测量
• 应力计放大器
• 精密积分器
• 测试设备
龙腾半导体SGT MOSFET LSGT085R018在智慧农业无