时间:2025-04-30 09:25
人气:
作者:admin
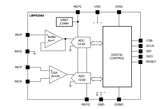
LMP92064 是一款具有数字 SPI 接口的精密低侧数字电流传感器和电压监视器。 该模拟前端 (AFE) 包括一个精密电流感测放大器和一个缓冲电压通道,分别用于测量分流电阻的负载电流和负载的供电电压。 该器件通过独立的 125kSps、12 位 ADC 转换器对电流和电压通道进行同步采样,以在单向感测应用中实现极为精确的功率计算。
数据手册:*附件:LMP92064 2V、12 位、快速同步采样SPI输出电流 电压监控器技术手册.pdf
LMP92064 为 ADC 提供了 2.048V 内部基准电压,不仅消除了对外部基准电压的需求,同时还减少了元件数量并节省了电路板空间。
主机可通过四线 SPI 接口以高达
20MHz 的运行速度与 LMP92064 通信。 凭借这一快速的 SPI 接口,用户能够利用较高带宽 ADC 来捕获快速变化的信号。 此外,该四线接口还具有专用单向输入和输出线,这使得需要隔离的应用能够轻松连接数字隔离器。
LMP92064 由 4.5V 至 5.5V 的单电源供电运行,并且具有一个独立的数字电源引脚。 LMP92064 采用 16 引脚 5mm x 4mm WSON 封装,额定温度范围为 -40°C 至 105°C。
特性
引脚功能和配置
典型特性
功能方框图
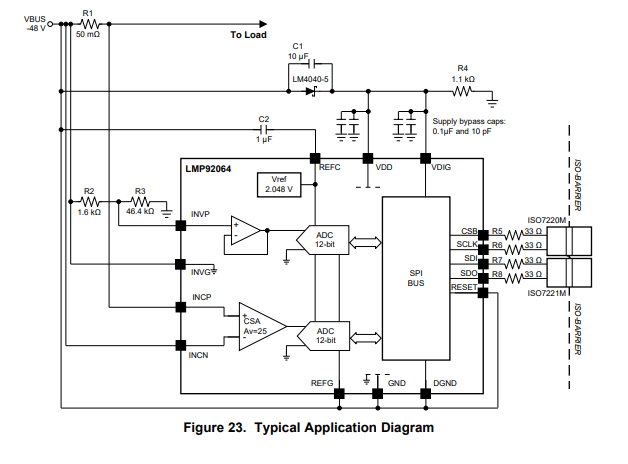
典型应用
龙腾半导体SGT MOSFET LSGT085R018在智慧农业无