时间:2025-04-20 12:37
人气:
作者:admin
TLV1701-Q1(单)、TLV1702-Q1(双)和TLV1704-Q1(四)器件提供宽电源范围、轨对轨输入、低静态电流和低传播延迟。所有这些功能都采用行业标准的极小封装,使这些设备成为最好的通用比较器。
数据手册:*附件:TLV1701-Q1 汽车类单路高电压、低功耗比较器技术手册.pdf
集电极开路输出的优点是,无论TLV170x-Q1的电源电压如何,都可以将输出拉到高于负电源36V的任何电压轨。
该设备是一个微功率比较器。低输入偏移电压、低输入偏置电流、低电源电流和集电极开路配置使TLV170x-Q1器件足够灵活,可以处理从简单的电压检测到驱动单个继电器的几乎任何应用。
该设备可在-40°C至+125°C的扩展工业温度范围内运行。查找其他 比较器
特征
•具备汽车应用资格
•AEC Q100合格,结果如下
–设备温度等级1:-40°C至
+125°C环境工作温度
–设备HBM ESD分类2级
(TLV1701-Q1)
–器件HBM ESD分类等级1C
(TLV1702-Q1,TLV1704-Q1)
–设备CDM ESD分类级别C6
•供电范围:2.2 V至36 V或±1.1 V至±18 V
•低静态电流:每个比较器55µA
•输入共模范围包括两个轨道
•低传播延迟:560 ns
•低输入偏移电压:300µV
•开放式收集器输出:
–无论如何,负电源电压高达36 V电源电压
•工业温度范围:-40°C至+125°C
•小包装:
–单曲:SOT23-5和SC-70-5
–双声道:VSSOP-8
–四轮驱动:TSSOP-14
引脚功能和配置
典型特性
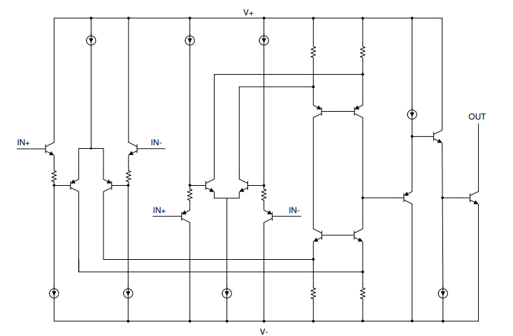
功能方框图
应用
•过压和欠压检测器
•窗口比较器
•过电流检测器
•过零检测器
•系统监控:
–白色家电
–汽车
–医疗
龙腾半导体SGT MOSFET LSGT085R018在智慧农业无