时间:2025-04-20 14:56
人气:
作者:admin
TLV07 器件是使用 TI 激光修整运算放大器技术制造的一款 36V、单电源、低噪声、精密运算放大器。每个放大器的输入失调电压均在生产中经过修整,从而获得 100µV(最大值)的低失调电压。
数据手册:*附件:TLV07 36V、低噪声、轨到轨输出、精密运算放大器技术手册.pdf
TLV07 具有出色的直流精度和交流性能,包括轨到轨输出、低失调电压(最大值 ±100µV)和 1MHz 带宽。TLV07 可在 G = 1 且电容负载高达 200pF 时保持稳定。输入可在负电源轨以下 100mV 以及正电源轨 2V 之内工作。这种宽输入电压范围与 120dB 的高 CMRR 特性相结合,使得 TLV07 非常适合在同相配置下工作。
TLV07 运算放大器的额定工作温度范围为 –40°C 至 +125°C。
特性
• 低失调电压:100µV(最大值)
• 轨到轨输出
• 低噪声:19nV/√Hz
• 单位增益稳定
• RFI 滤波输入
• 输入范围包括负电源
• 轨到轨输出
• 增益带宽:1MHz
• 低静态电流:930µA
• 全工业温度范围:
–40°C 至 +125°C
• 采用符合行业标准的 8 引脚 SOIC 封装
引脚功能和配置
典型特性
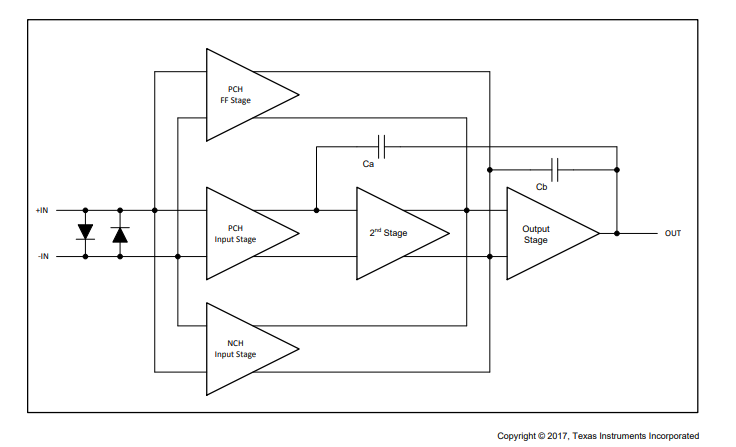
功能方框图
应用
• 电池测试仪
• 电源模块内的跟踪放大器
• 商用电源
• 变频器放大器
• 温度测量
• 应力计放大器
龙腾半导体SGT MOSFET LSGT085R018在智慧农业无