时间:2025-04-21 10:09
人气:
作者:admin
OPA180-Q1 和 OPA2180-Q1 运算放大器采用 TI 的专有零漂移技术,可同时提供低失调电压(75µV),并随时间推移和温度变化实现接近零漂移的性能。这些高精度、低静态电流微型运算放大器提供高输入阻抗和摆幅在电源轨 18mV之内的轨至轨输出。输入共模范围包括负电源轨。电压范围为 4V 至 36V(±2V 至 ±18V)的单电源或双电源均可使用。
数据手册:*附件:OPA2180-Q1 通过汽车认证的、低噪声、RRO、36V零温漂运算放大器技术手册.pdf
单通道和双通道版本均采用 VSSOP-8 封装。单封装产品 (OPA180-Q1) 的额定温度范围为 –40°C 至 +125°C,双封装(OPA2180-Q1) 的额定温度范围为 –40°C 至 +105°C。
特性
• 符合汽车类应用的 要求
• 具有符合 AEC-Q100 标准的下列特性:
– OPA180-Q1 器件温度等级 1:
–40°C 至 +125°C 环境运行温度范围
– OPA2180-Q1 器件温度等级 2:
–40°C 至 +105°C 环境运行温度范围
– 器件 HBM ESD 分类等级 1C
– 器件 CDM ESD 分类等级 C5
– 宽电源电压:±2V 至 ±18V
– 低失调电压:75μV(最大值)
– 零漂移:0.1μV/°C
– 低噪声:10 nV/√Hz
– 极低 1/f 噪声
– 出色的直流精度:
– 电源抑制比 (PSRR);126dB
– 共模抑制比 (CMRR):114dB
– 开环路增益 (AOL):120dB
– 静态电流:525μA(最大值)
– 轨至轨输出:输入包括负电源轨
– 低偏置电流:250pA(典型值)
– 已过滤射频干扰 (RFI) 的输入
– MicroSIZE 封装
引脚功能和配置
典型特性
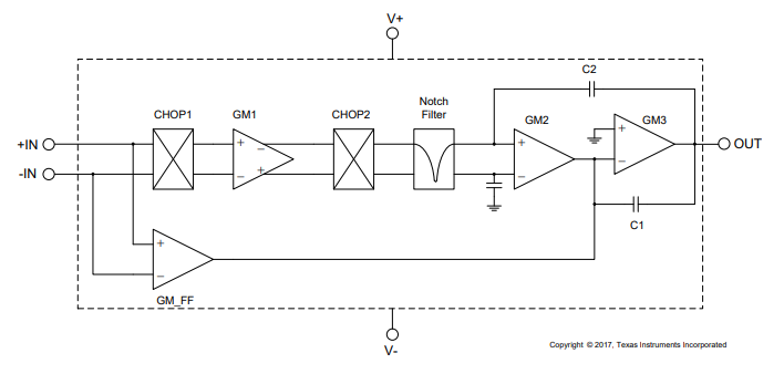
功能方框图
应用范围
• 汽车高精度电流测量
• 车载充电器 (OBC)
• 电池管理系统 (BMS)
• 电机控制
• 牵引逆变器
龙腾半导体SGT MOSFET LSGT085R018在智慧农业无