时间:2025-04-21 14:06
人气:
作者:admin
单通道 OPA1677、双通道 OPA1678 和四通道 OPA1679 (OPA167x) 运算放大器较音频电路中常用的传统运算放大器而言,可提供更高的系统级性能。
数据手册:*附件:OPA1678 低失真、低噪声、双路音频运算放大器技术手册.pdf
OPA167x 放大器在 1kHz 时可实现 4.5nV/√Hz 的低噪声密度和 0.0001% 的低失真度,从而提高了音频信号保真度。这些器件在 2kΩ 负载下还可提供 800mV 范围内的轨到轨输出摆幅,从而增加余量并更大限度地扩大动态范围。
为了适应多种类型音频产品的电源限制,OPA167x 仅在 2mA 的电源电流、±2.25V 至 ±18V(或 4.5V 至 36V)的非常宽的电源电压范围内工作。这些运算放大器是单位增益稳定型放大器,且可在各种负载条件下实现出色的动态行为,因此 OPA167x 可在许多音频电路中使用。
OPA167x 放大器使用完全独立的内部电路,可将串扰降到最低,即便在过驱动或过载时也不受通道间相互作用的影响。
特性
• 低噪声:1 kHz 时为 4.5nV/√Hz
• 低失真:1kHz 时为 0.0001%
• 高开环增益:114dB
• 高共模抑制:110dB
• 低静态电流:
– 每通道 2mA
• 低输入偏置电流:10pA(典型值)
• 压摆率:9 V/μs
• 宽增益带宽:16 MHz (G = 1)
• 单位增益稳定
• 轨到轨输出
• 宽电源电压范围:
– ±2.25V 至 ±18V 或 4.5V 至 36V
• 单通道、双通道和四通道版本
• 可用封装:
– 单通道:SOIC-8、SOT-23
– 双通道:SOIC-8、小型 SON-8、VSSOP-8
– 四通道:小型 QFN-16、SO-14、TSSOP-14
• 温度范围:–40°C 至 +85°C
引脚功能和配置
典型特性
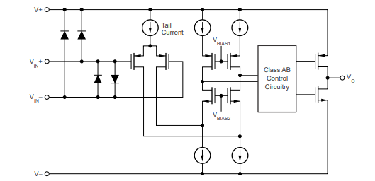
功能方框图
应用
• 专业麦克风和无线系统
• 专业音频混合器/控制平面
• 吉他放大器和其他乐器放大器
• A/V 接收器
• 汽车外部放大器
龙腾半导体SGT MOSFET LSGT085R018在智慧农业无