时间:2025-04-21 17:00
人气:
作者:admin
2025慕尼黑上海电子展
白电、汽车、工业级新能源、AI算力&智能终端机器人
此前,4月15-17日,士兰微电子亮相了2025慕尼黑上海电子展。本次展会,士兰微全面展示了家电、汽车、工业级新能源、AI算力&智能终端及机器人等多个领域产品和应用方案,推动电子行业创新发展。展会吸引了来自世界各地的业内大咖、企业代表以及专业观众前来参加。
技术论坛 共探发展
大咖说:士兰微功率器件与IC产品驱动新能源汽车的智能未来
4月16日,士兰微电子技术专家王凯作了《士兰微功率器件与IC产品驱动新能源汽车的智能未来》主题演讲,分享了士兰微的功率器件与IC产品在汽车领域的创新成果与行业的新动态,在展会现场与业内专家、专业观众共同探讨和分享新技术的魅力。
家电领域产品
空调外机变频板
士兰可提供对应重要元器件:
MCU:SC32F68160,同时驱动PFC,风机IPM,压机IPM
PFC器件:SGT30T60、SFRP30F60
PFC驱动:SDH21695
ACDC:SDH8655B
风机IPM:SDM06C60TA2,业内用量最大的风机模块之一
压机IPM:SDM15L60RA,国内首款带RCIGBT(逆导型绝缘栅双极性晶体管)

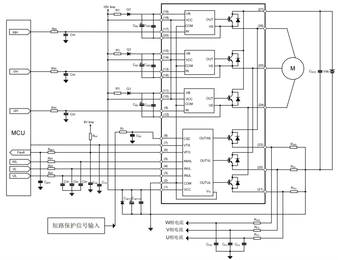
汽车领域产品
B3GSiC模块
SSM1R7PB12B3GTFM _LT是士兰微电子基于自主研发的 SiC MOS 芯片技术开发的六单元拓扑模块,具有高电流密度、高阻断电压等级,为严苛环境条件下的逆变器运行,提供更可靠的保障。
功能特点:
VDSS达1200V
Tjop ≥ 175℃
低 Rdson,典型值为1.7mΩ@25℃
低开关损耗
低 Qg 和 Crss
Si3N4 陶瓷基板
芯片纳米银烧结
低杂感
每相内置 NTC
直接水冷基板,低热阻
应用:
纯电动车等应用领域

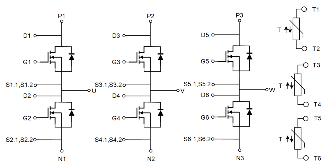
汽车空调压机IPM
产品特点:
内置6个650V/30A/50A的低功耗IGBT
内置高压栅极驱动电路
内置欠压保护、过流保护、温度输出
输入逻辑兼容3.3V/5V
3个独立的负直流段用于电流检测应用
报警信号:对应于低侧欠压保护和短路保护
封装体采用DBC设计,热阻极低
绝缘级别:2500Vrms/min
应用:
汽车空调压机
汽车助力转向
空气悬挂系统


工业级新能源领域产品
微型逆变器解决方案
方案特色:
功率段:300W~5KW;
DC/DC变换器方案特色:
1、采用士兰SGT工艺LVMOS 2、适用于更高的开关频率 3、更高的功率密度
DC/AC变换器方案特色:
1、采用士兰ME4工艺DPMOS 2、适用于更高的开关频率 3、较强的雪崩能力


注:展示部分方案
户用光储逆变器解决方案
方案特色:
功率段:300W~5KW;
DC/DC变换器方案特色:
1、采用士兰SGT工艺LVMOS 2、适用于更高的开关频率 3、更高的功率密度
DC/AC变换器方案特色:
1、采用士兰ME4工艺DPMOS 2、适用于更高的开关频率 3、较强的雪崩能力


注:展示部分方案
组串电站光伏逆变器/储能变流器解决方案
方案特色:
功率段:320KW/225KW
IGBT采用士兰5代工艺
适用于更高的开关频率
开关损耗低,效率高
1.1倍标称BV下限管控,适配于工业光伏应用
极限结温175℃


AI算力&智能终端及机器人领域产品
服务器板级电源解决方案
士兰微可提供对应的电源芯片:
多相控制器:SD26121/26161
智能功率芯片DrMOS:SK6170/6190/6191
降压转换器POL:SK46106/46112/46120
大电流电子保险丝eFuse:SK4715


士兰微电子坚持IDM发展模式,持续深化功率半导体、智能控制芯片等领域的技术迭代。展会现场,其微型逆变器、碳化硅模块及车规级IPM等方案引发广泛关注,未来公司将强化与全球伙伴的生态协作,为智能汽车、绿色能源及数字化社会提供更高效的产品和解决方案。
龙腾半导体SGT MOSFET LSGT085R018在智慧农业无