时间:2025-04-22 14:50
人气:
作者:admin
ADPA1106是一款氮化镓(GaN)宽带功率放大器,在2.7 GHz至3.1 GHz的带宽内,可提供46 dBm (40 W)和56%的典型功率附加效率(PAE)。ADPA1106在2.7 GHz至3.1 GHz频率范围内具有±0.15 dB的增益平坦度。
数据手册:*附件:ADPA1106 46 dBm (40 W)、2.7 GHz至3.5 GHz GaN功率放大器技术手册.pdf
ADPA1106非常适合脉冲应用,例如航海、气象和军用雷达。
ADPA1106采用带预制空腔的32引脚、引线架构芯片级封装(LFCSP_CAV),额定工作温度范围为-40°C至+85°C。
特性
引脚配置和功能描述
接口示意图
典型特性
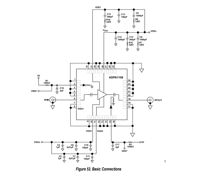
简易框图
典型应用
应用
龙腾半导体SGT MOSFET LSGT085R018在智慧农业无