时间:2025-04-23 11:01
人气:
作者:admin
OPA170-Q1、OPA2170-Q1 和 OPA4170-Q1 器件 (OPAx170-Q1) 属于 36V、单电源、低噪声运算放大器系列。该器件系列采用微型封装,可由电压介于 2.7V (±1.35V) 至 36V (±18V) 之间的电源供电运行。此类器件在确保静态电流较低的情况下提供良好的偏移、漂移和带宽。
数据手册:*附件:OPA2170-Q1 汽车级、双路、36V、1.2MHz、低功耗运算放大器技术手册.pdf
多数运算放大器仅有一个指定的电源电压,OPAx170-Q1 系列运算放大器则有所不同,其可在 2.7V 至 36V 电压范围内额定运行。超过电源轨的输入信号不会导致反相。OPAx170-Q1 系列在容性负载高达 300pF 时可保持稳定。输入可在负电源轨以下 100mV 以及正电源轨 2V 之内正常运行。请注意,这些器件可在正电源轨之上 100mV 的满轨到轨输入上运行,但是在正电源轨 2V 内运行时,性能会受到影响。OPAx170-Q1 运算放大器的额定工作温度范围为 -40°C 至 +125°C。
特性
• 符合汽车应用 要求
• 具有符合 AEC-Q100 标准的下列结果:
– 器件温度等级 1:环境工作温度范围为 –40°C至 +125°C
– 器件 HBM ESD 分类等级 3A
– 带电器件模型 (CDM) ESD 分类等级 C5
• 电源电压范围:2.7V 至 36V,±1.35V 至 ±18V
• 低噪声:19 nV/√Hz
• 已过滤的射频干扰 (RFI) 输入
• 输入范围包括负电源
• 输入范围运行至正电源
• 轨到轨输出
• 增益带宽:1.2MHz
• 低静态电流:每个放大器 110µA
• 高共模抑制:120dB
• 低偏置电流:15pA(最大值)
• 通道数量:
– OPA170-Q1 - 1 条
– OPA2170-Q1 - 2 条
– OPA4170-Q1 - 4 条
• 行业标准封装
引脚功能和配置
典型特性
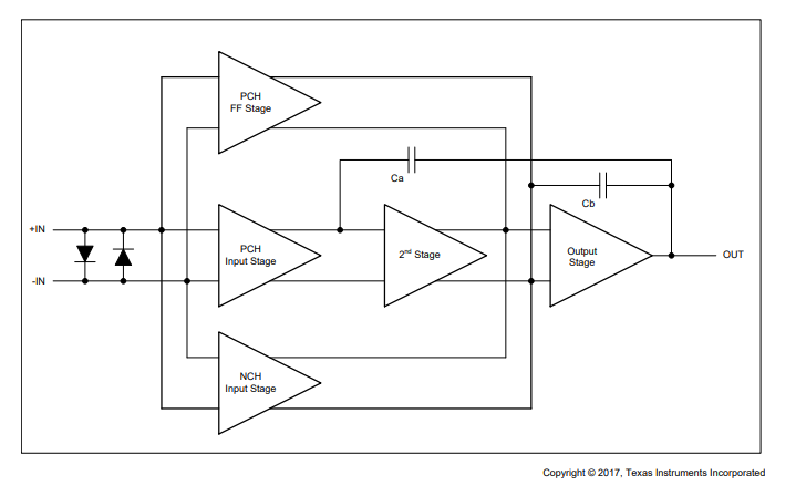
功能方框图
应用
• 汽车
• 混合动力汽车 (HEV) 和电动车 (EV) 动力传动
• 高级驾驶员辅助系统 (ADAS)
• 自动恒温控制
• 温度测量
• 应力计放大器
• 精密积分器
龙腾半导体SGT MOSFET LSGT085R018在智慧农业无