时间:2025-04-24 09:26
人气:
作者:admin
TLVx172 系列 36V 单电源、低噪声抗电磁干扰 (EMI) 运算放大器在 1kHz 频率下 具有 0.0002% 的 THD+N,能够在 4.5V (±2.25V) 至 36V (±18V) 的电源电压范围内正常工作。这些 特性和低噪声、高 PSRR 特性,使TLVx172能够 在 HEV 和 EV 汽车及动力传动系统、医疗仪器等应用中放大毫伏级信号。TLVx172 器件具有良好的失调电压和温漂、10MHz 高带宽和 10V/µs 压摆率,且在工作温度范围内的静态电流仅有 2.3mA(最大值)
数据手册:*附件:TLV4172 适用于成本敏感型应用的四路、36V、10MHz、低功耗运算放大器技术手册.pdf
大多数运算放大器仅有一个额定电源电压,而 TLVx172器件的额定电压范围为 4.5V 至 36V。超过电源轨的输入信号不会导致相位反转。TLVx172器件可在容性负载高达 300pF 时保持稳定。输入可在负电源轨以下 100mV 以及正电源轨 2V 之内正常运行。请注意,此系列器件可在超出正电源轨 100mV 的完整轨至轨输入范围内运行,但是在正电源轨 2V 之内运行时,性能会受到影响。
TLVx172运算放大器的额定工作温度范围为 –40°C 至 +125°C
特性
• 电源电压范围:4.5V 至 36V,±2.25V 至 ±18V
• 低噪声:9 nV/√Hz
• 低温漂:±1μV/°C(典型值)
• 抗电磁干扰 (EMI)
• 输入范围包括负电源
• 轨到轨输出
• 增益带宽:10MHz
• 转换速率:10V/μs
• 低静态电流:每个放大器 1.6mA
• 高共模抑制:116dB(典型值)
• 低输入偏压电流:10pA
引脚功能和配置
典型特性
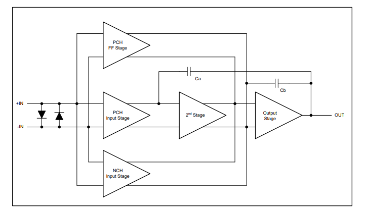
功能方框图
应用
• 薄膜晶体管 (TFT) - 液晶显示屏 (LCD) 驱动电路
• 触摸屏显示屏
• 无线 LAN
• 便携式仪表
• 模数转换器 (ADC) 缓冲器
• 有源滤波器
• 线路驱动器或线路接收器
• 超声波
• 点钞机
• 变频器放大器
龙腾半导体SGT MOSFET LSGT085R018在智慧农业无