时间:2025-04-24 10:27
人气:
作者:admin
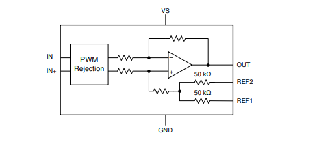
INA240 器件是一款 电压输出、电流检测放大器,具有增强型 PWM 抑制功能,可在独立于电源电压的 –4V 至 80V 宽共模电压范围内检测分流器电阻上的压降。负共模电压允许器件的工作电压低于接地电压,从而适应典型螺线管应用的反激周期。增强型 PWM 抑制功能可为使用脉宽调制 (PWM) 信号的系统(例如,电机驱动和螺线管控制系统)中的较大共模瞬变 (ΔV/Δt) 提供高水平的抑制。凭借该功能,可精确测量电流,而不会使输出电压产生较大的瞬变及相应的恢复纹波。
数据手册:*附件:INA240 具有增强的PWM抑制能力的-4V至80V、双向、超精密电流感测放大器技术手册.pdf
该器件由 2.7V 至 5.5V 的单电源供电运行,消耗的最大电源电流为 2.4mA。共有四种固定增益可供选择:20V/V、50V/V、100V/V 以及 200V/V。零漂移架构的低偏移使得该器件能够在分流器上的最大压降低至 10mV(满量程)的情况下进行电流感应。所有版本均具有扩展额定工作温度范围(-40°C 至 +125°C),并且采用 8 引脚 TSSOP 和 8 引脚 SOIC 封装。
特性
• 增强型 PWM 抑制
• 出色的共模抑制比 (CMRR):
– 132dB DC CMRR
– 93dB AC CMRR(50kHz 时)
• 宽共模范围:-4V 至 80V
• 精度:
– 增益:
• 增益误差:0.20%(最大值)
• 增益漂移:2.5ppm/°C(最大值)
– 偏移:
• 失调电压:±25μV(最大值)
• 温漂:250nV/°C(最大值)
• 可用的增益:
– INA240A1:20V/V
– INA240A2:50V/V
– INA240A3:100V/V
– INA240A4:200V/V
• 静态电流:2.4mA(最大值)
引脚功能和配置
典型特性
功能方框图
典型应用
应用
• 电机控制
• 螺线管和阀门控制
• 电源管理
• 致动器控制
• 压力调节器
• 电信设备
龙腾半导体SGT MOSFET LSGT085R018在智慧农业无