时间:2025-04-14 11:19
人气:
作者:admin
LM358B 和 LM2904B 器件是行业标准运算放大器 LM358 和 LM2904 的下一代版本,其中包括两个高压 (36V) 运算放大器。这些器件为成本敏感型应用提供了卓越的价值,其特性包括低失调电压(300µV,典型值)、对地共模输入范围和高差分输入电压能力。
数据手册:*附件:LM2904B 工作温度范围为-40°C至125°C的、双路、36V、1.2MHz运算放大器技术手册.pdf
LM358B 和 LM2904B 运算放大器利用单位增益稳定性、更低的失调电压(最大值为 3mV;LM358BA 和 LM2904BA 的最大值为 2mV)和更低的静态电流(每个放大器为 300µA 典型值)等增强型特性简化了电路设计。高 ESD(2kV,HBM)和集成 EMI 以及射频滤波器可支持将 LM358B 和 LM2904B 器件用于更严苛、更具环境挑战性的应用。
LM358B 和 LM2904B 放大器采用微型封装(如 SOT23-8),以及行业标准封装(包括 SOIC、TSSOP 和 VSSOP)。
特性
• 3V 至 36V 的宽电源电压范围(B、BA 版本)
• 静态电流:300 µA/通道(B、BA 版本)
• 单位增益带宽为 1.2 MHz(B、BA 版本)
• 共模输入电压范围包括接地,支持近地直接感测
• 25°C 时的最大输入失调电压为 2mV(BA 版本)
• 25°C 时的最大输入失调电压为 3mV(A、B 版本)
• 内部射频和 EMI 滤波器(B、BA 版本)
• 对于符合 MIL-PRF-38535 标准的产品,所有参数
均经过测试,除非另有说明。对于所有其他产品,
生产流程不一定包含对所有参数的测试。
引脚功能和配置
典型特性
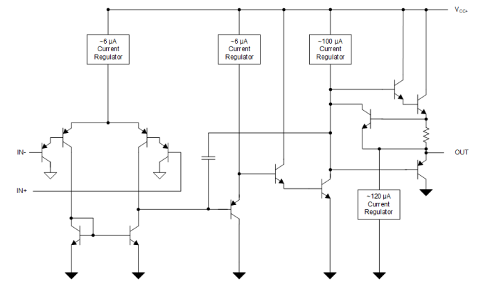
功能方框图
应用
• 商用网络和服务器电源单元
• 多功能打印机
• 电源和移动充电器
• 电机控制:交流感应、有刷直流、无刷直流、高
压、低压、永磁和步进电机
• 台式计算机和主板
• 室内外空调
• 洗衣机、烘干机和冰箱
• 交流逆变器、串式逆变器、中央逆变器和变频器
• 不间断电源
• 电子销售点系统
龙腾半导体SGT MOSFET LSGT085R018在智慧农业无