时间:2025-04-15 11:15
人气:
作者:admin
INA185 电流检测放大器专为成本敏感、空间受限的应用而设计。此器件是一个双向电流检测放大器(也称为电流分流监控器),可在独立于电源电压的 –0.2V 至 +26V 范围内的共模电压中感测电流检测电阻器上的压降。INA185 集成了匹配的电阻增益网络,支持四个固定增益器件选项:20V/V、50V/V、100V/V 或 200V/V。此匹配的增益电阻网络可尽可能减少增益误差,并降低温度漂移。
数据手册:*附件:INA185 采用超小型SOT-563封装的、26V、350kHz、双向高精度电流检测放大器技术手册.pdf
INA185 由 2.7V 至 5.5V 单电源供电。该器件消耗的最大电源电流为 260µA,并且具有高压摆率和带宽,因此非常适合许多电源和电机控制应用。
INA185 采用业界通用的 SC70 封装和薄型 6 引脚 SOT-563 封装。SOT-563 封装的外形面积仅为 2.56mm2,包括器件引脚。所有器件选项都具有 –40°C 至 +125°C 的扩展额定工作温度范围。
特性
• SC70 和 SOT-563 封装
– SC70 提供与现有解决方案的兼容性
– SOT-563 尺寸比 SC70 小 39%
– SOT-563 尺寸为 1.6mm × 1.6mm × 0.55mm
• 共模范围 (VCM):–0.2V 至 +26V
• 高带宽:350kHz(A1 器件)
• 失调电压:
– VCM = 0V 时为 ±55µV(最大值)
– ±100µV(最大值),VCM = 12V(A4 器件)
• 输出压摆率:2V/µs
• 双向电流检测功能
• 精度:
– 最大增益误差(A1、A2、A3):±0.2%
– 最大温漂:0.5µV/°C
• 增益选项:
– 20V/V(A1 器件)
– 50V/V(A2 器件)
– 100V/V(A3 器件)
– 200V/V(A4 器件)
• 静态电流:260µA(最大值)
引脚功能和配置
典型特性
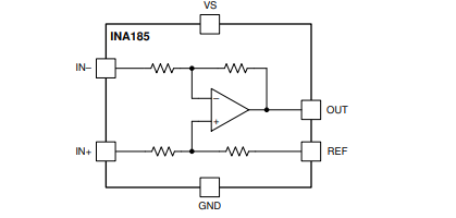
功能方框图
应用
• 电机控制
• 电池监测器和平衡器
• 电源管理
• 光控制
• 光伏逆变器
龙腾半导体SGT MOSFET LSGT085R018在智慧农业无