时间:2025-04-16 14:14
人气:
作者:admin
TLV1704-SEP(四路)器件具有宽电源电压范围、轨到轨输入、低静态电流和低传播延迟。所有这些特性均采用业界通用的 TSSOP-14 塑料封装,使这些器件适用于对尺寸、重量和设计灵活性要求较高的应用。
数据手册:*附件:TLV1704-SEP 采用增强型航天塑料的耐辐射、2.2V至24V、微功耗四通道比较器技术手册.pdf
集电极开路输出带来了能够将输出电平转换为任意电压轨(最多可高出负电源 24V)且不受 TLV1704-SEP 电源电压影响的优势。同样,输出可连接在一起,形成单个警报信号。
此器件是一款微功耗比较器。TLV1704-SEP 器件具有低输入偏移电压、低输入偏置电流、低电源电流和集电极开路配置,非常适合电压监测、电流检测和过零检测等系统诊断。
特性
• VID V62/18613
• 耐辐射
– 单粒子闩锁 (SEL) 在 125°C 下的抗扰度可达
43MeV-cm2
/mg
– 在高达 30krad (Si) 的条件下无 ELDRS
– 每个晶圆批次的总电离剂量 (TID) 高达 30krad
(Si)
• 增强型航天塑料
– 受控基线
– 金线
– NiPdAu 铅涂层
– 一个封装测试厂
– 一个制造基地
– 支持军用(–55°C 至 125°C)温度范围
– 延长了产品生命周期
– 延长了产品变更通知
– 产品可追溯性
– 采用增强型模塑化合物实现低释气
• 电源电压范围:2.2V 至 24V
• 低静态电流:每个比较器 55µA
• 输入共模范围包括两个电源轨
• 低传播延迟:560ns
• 低输入失调电压:300µV
• 集电极开路输出:
– 最多可高出负电源电压 24V 且不受电源电压影响
• 小型封装:
– 四通道:TSSOP-14
引脚功能和配置
典型特性
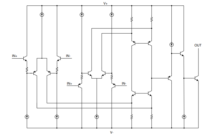
功能方框图
应用
• 命令和数据处理 (C&DH)
• 飞行器驾驶舱显示屏
• 飞行控制单元
• 卫星电力系统 (EPS)
龙腾半导体SGT MOSFET LSGT085R018在智慧农业无