时间:2025-04-17 14:38
人气:
作者:admin
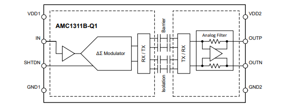
AMC1311-Q1是一款精密隔离放大器,其输出通过电容隔离屏障与输入电路隔开,该屏障高度抗磁干扰。根据DIN EN IEC 60747-17(VDE 0884-17)和UL1577,该屏障经认证可提供高达5 kVRMS的加强电隔离,并支持高达1500 VRMS的工作电压。
数据手册:*附件:AMC1311-Q1 汽车类、2V输入、精密电压检测增强型隔离式放大器技术手册.pdf
隔离屏障将系统中在不同共模电压水平下运行的部分隔开,并保护低压侧免受可能造成电气损坏或对操作员有害的电压的影响。
AMC1311-Q1的高阻抗输入经过优化,可连接到高阻抗电阻分压器或任何其他高阻抗电压信号源。出色的直流精度和低温漂移支持闭环系统中精确、隔离的电压传感和控制。集成的缺失高压侧电源电压检测功能简化了系统级设计和诊断。
AMC1311-Q1提供两种性能等级选项:AMC1311-X1和AMC1311B-Q1。
特征
•AEC-Q100符合汽车应用标准:
–温度等级1:-40°C至+125°C,TA
•功能安全能力
–可用于辅助功能安全的文件
系统设计
•优化2-V高阻抗输入电压范围
用于隔离电压测量
•固定增益:1
•低直流误差:
–AMC1311-Q1:
•偏移误差:±9.9 mV(最大值)
•偏移漂移:±20µV/°C(典型)
•增益误差:±1%(最大值)
•增益漂移:±30ppm/°C(典型)
–AMC1311B-Q1:
•偏移误差:±1.5 mV(最大值)
•偏移漂移:±10µV/°C(最大)
•增益误差:±0.2%(最大值)
•增益漂移:±40 ppm/°C(最大)
–非线性:0.04%(最大值)
•高压侧3.3V操作(AMC1311B-Q1)
•高CMTI:100 kV/μs(AMC1311B-Q1)
•缺少高压侧电源指示
•安全相关认证:
–符合DIN EN IEC标准的7000-VPK加强隔离
60747-17(视频编号0884-17)
–根据UL1577,5000-VRMS隔离1分钟
引脚功能和配置
典型特性
功能方框图
典型应用
图8-1显示了使用AMC1311-Q1监测直流母线电压的OBC,该电压可能高达600 V。直流母线电压通过底部电阻器(RSNS)分压到约2 V的水平AMC1311-Q1感测到的高阻抗电阻分压器。AMC1311-Q1的输出是差分模拟输出电压与输入电压值相同,但与高侧设有加固的隔离屏障。
AMC1311-Q1的增强隔离屏障和高共模瞬态抗扰度(CMTI)确保了
在恶劣和高噪声环境中可靠和准确地运行。
应用
•隔离电压传感:
–牵引逆变器
–车载充电器
–DC/DC转换器
龙腾半导体SGT MOSFET LSGT085R018在智慧农业无