时间:2025-04-02 15:03
人气:
作者:admin
JFE150 是使用德州仪器 (TI) 的现代高性能模拟双极工艺构建的 Burr-Brown™ 分立式 JFET。JFE150 具有以前较旧的分立式 JFET 技术所不具备的性能。JFE150 提供出色的噪声功率效率和灵活性,静态电流可由用户设置,并为 50µA 至 20mA 的电流提供出色的噪声性能。当偏置电流为 5mA 时,该器件会产生 0.8nV/√ Hz 的输入参考噪声,从而以极高的输入阻抗 (> 1TΩ) 提供超低噪声性能。JFE150 还具有连接到独立钳位节点的集成二极管,无需添加高泄漏、非线性外部二极管即可提供保护。
数据手册:*附件:JFE150 超低噪声、低栅极电流、音频、N 沟道JFET技术手册.pdf
JFE150 可承受 40V 的高漏源电压,以及低至 –40V 的栅源电压和栅漏电压。该器件额定工作温度范围为 –40°C 至 + 125°C,并采用 5 引脚 SOT-23 和 SC70 封装。
特性
• 超低噪声:
– 电压噪声:
• 1kHz 时为 0.8nV/√Hz,IDS = 5mA
• 1kHz 时为 0.9nV/√Hz,IDS = 2mA
– 电流噪声:1 kHz 时为 1.8fA/√Hz
• 低栅极电流:10 pA(最大值)
• 低输入电容:VDS = 5V 时为 24pF
• 高栅漏电压和栅源击穿电压:-40 V
• 高跨导:68mS
• 封装:小型 SC70 和 SOT-23
引脚功能和配置
典型特性
方框图
应用
• 麦克风输入
• 水听器和船用设备
• DJ 控制器、混频器和其他 DJ 设备
• 专业音频混合器或控制平面
• 吉他放大器和其他乐器放大器
• 状态监控传感器
典型应用
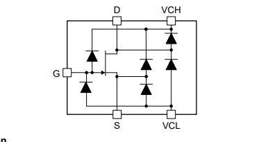
JFE150具有二极管,用于帮助箝位输入传感器上可能出现的电压浪涌大门。二极管连接在栅极和两个单独的引脚VCL和VCH之间。夹紧当栅极电压为小于VCL或大于VCH。图9-1显示了麦克风输入电路的示例,其中直流阻断电容器在大直流电压下工作。当麦克风输入下降或短路时,直流阻断电容器向VCL或VCH节点放电,从而有助于消除大门。还有分别从漏极和源极到VCL和VCH的箝位二极管。夹紧二极管可以承受高达200mA的高浪涌电流持续50ms;然而,将直流电流限制在20mA以下。
图 9-1 显示了配置二极管箝位以保护JFET免受虚复合供电麦克风电路中过电压的示例。幻影电源通常通过6.8kΩ的上拉电阻器向麦克风或动态负载。如果麦克风断开,隔直电容器CDC可以偏置到48V。如果电容器的输入随后对地短路(如图9-1中的开关所示),栅极电压可以超过VGS的绝对最大额定值。在这种情况下,使用阻塞二极管和限流器以将栅极电压箝位到安全电平。请注意RG联轴器的热噪声直接输入到栅极输入端;因此,一定要尽量减少RG的阻力
龙腾半导体SGT MOSFET LSGT085R018在智慧农业无