时间:2025-04-05 14:10
人气:
作者:admin
OPA210 和 OPA2210 ( OPAx210) 是 OPAx209 运算放大器的新一代产品。 OPAx210 精密运算放大器基于 TI 的精密超级 ß 互补双极半导体工艺进行构建,可提供超低闪烁噪声、低失调电压和低失调电压温漂。
数据手册:*附件:OPA210 2.2nV √Hz、低功耗、36V、运算放大器技术手册.pdf
OPAx210 可实现很低的电压噪声密度 (2.2nV/√Hz),同时每个放大器仅消耗 2.5mA(最大值)的电流。这两款器件还提供轨到轨输出摆幅,有助于更大限度地扩大动态范围。
在精密数据采集应用中, OPAx210 可实现精度达 16 位的快速稳定时间,即使输出摆幅为 10V 也是如此。出色的交流性能、仅 35µV(最大值)的失调电压和 0.6µV/°C(最大值)的温漂使 OPAx210 非常适用于高速、高精度应用。
OPAx210 可在 ±2.25V 至 ±18V 的双电源宽电压范围或 4.5V 至 36V 的单电源宽电压范围内运行,并且具有 –40°C 至 +125°C 的额定工作温度范围。
特性
• 精密超级 ß 输入性能:
– 低失调电压:5µV(典型值)
– 超低温漂:0.1µV/°C(典型值)
– 低输入偏置电流:0.3nA(典型值)
• 超低噪声:
– 0.1Hz 至 10Hz 低噪声:90nVPP
– 低电压噪声:1kHz 时为 2.2nV/√Hz
• 高 CMRR:132dB(最小值)
• 增益带宽积:18MHz
• 压摆率:6.4 V/µs
• 低静态电流:2.5mA/每通道(最大值)
• 短路电流:±65 mA
• 宽电源电压范围:±2.25V 至 ±18V
• 无相位反转
• 轨到轨输出
• 业界通用封装
引脚功能和配置
典型特性
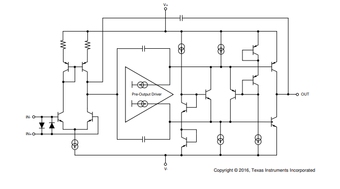
方框图
典型应用
应用
• 超声波扫描仪
• 多参数患者监护仪
• 商用网络和服务器 PSU
• 半导体测试
• 频谱分析仪
• 实验室和现场仪表
• 数据采集 (DAQ)
• 专业麦克风和无线系统
龙腾半导体SGT MOSFET LSGT085R018在智慧农业无