时间:2025-04-07 13:41
人气:
作者:admin
TLV902x-Q1 和 TLV903x-Q1 是汽车级单通道、双通道和四通道比较器系列。该系列提供低输入失调电压、容错输入和出色的速度功率比等特性组合,传播延迟为 100ns,每个通道的静态电源电流仅为 18µA。
数据手册:*附件:TLV9032-Q1 汽车类、1.65V至5.5V、精密双路推挽比较器技术手册.pdf
该系列还包含上电复位 (POR) 特性,这可确保输出处于已知状态,直到达到最小电源电压,从而防止系统上电和断电期间出现输出瞬变。
这些比较器还具有容错输入,容错输入电压可升至 6V 而不会造成损坏,也不会产生输出相位反转。因此,该系列的比较器适合在恶劣的嘈杂环境中进行精密电压监测。
TLV902x-Q1 具有开漏输出,可上拉到低于或超过电源电压,使其适用于低压逻辑转换器。
TLV903x-Q1 具有推挽式输出级,能够灌入/拉取许多毫安级电流以驱动 LED 或 MOSFET 栅极等容性负载。
TLV90x0-Q1 和 TLV90x1-Q1 是单通道器件的替代引脚排列版本。
该系列具有 -40°C 至 +125°C 的汽车级额定温度范围,可采用标准的引线和无引线封装。
特性
• 符合汽车应用要求
• 具有符合 AEC-Q100 标准的下列特性:
– 器件温度等级 1:–40°C 至 125°C 环境工作温度范围
– 器件 HBM ESD 分类等级 2
– 器件 CDM ESD 分类等级 C6
• 1.65V 至 5.5V 的电源电压范围
• 已知启动的上电复位 (POR)
• 精密输入失调电压为 300μV
• 100ns 典型传播延迟
• 每通道的低静态电流为 16μA
• 轨至轨输入电压范围超过电源轨
• 开漏输出选项 (TLV902x-Q1)
• 推挽输出选项 (TLV903x-Q1)
• 备选单通道引脚排列选项 (TLV90x0)
• 2kV ESD 保护
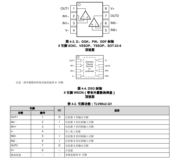
引脚功能和配置
典型特性
功能方框图
时序图
应用
• 汽车
– HEV/EV 和动力总成
– 信息娱乐系统与仪表组
– 车身控制模块
• 工业
龙腾半导体SGT MOSFET LSGT085R018在智慧农业无