时间:2025-04-08 09:26
人气:
作者:admin
LM124、LM224x和LM324x由四个独立的高增益运算放大器组成,在内部进行频率补偿。它们可在广泛的电压范围内由单一电源供电运行。此外,也可由多个分离电源供电运行,低功耗电源电流消耗与电源电压大小无关。
数据手册:*附件:LM224 低输入偏置电流、低功耗四路运算放大器技术手册.pdf
引脚连接和示意图
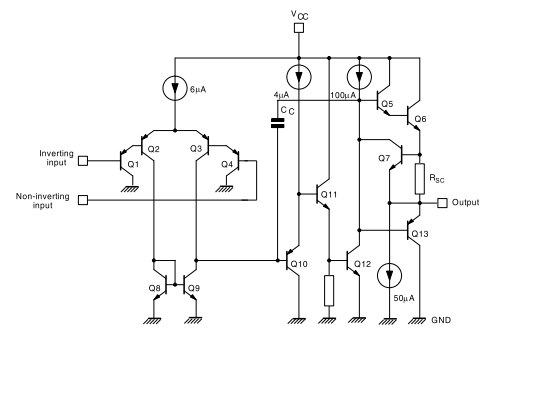
线路图
电气特性曲线
绝对最大额定值
龙腾半导体SGT MOSFET LSGT085R018在智慧农业无