时间:2025-04-08 14:23
人气:
作者:admin
INA290-Q1 是一款超精密电流感应放大器,可在 2.7V 至 120V 的宽共模范围内测量分流电阻器上的压降。它采用节省空间的 SC-70 封装,PCB 的空间占用仅为 2.0mm × 2.1mm。该器件在 ±12µV(最大值)的超低失调电压、±0.1%(最大值)的小增益误差和 160dB(典型值)的高直流 CMRR 等特性的综合作用下,可实现超高精度的电流测量精度。 INA290-Q1 凭借 1.1MHz(增益为 20V/V)的高带宽和 85dB(50kHz 时)的交流 CMRR,不仅适用于直流电流测量,还适用于高速应用(例如,快速过流保护)。
数据手册:*附件:INA290-Q1 采用小型(SC-70)封装的AEC-Q100认证、2.7V至120V、1.1MHz超精密电流检测放大器技术手册.pdf
通过在 2.7V 至 120V 的宽共模范围内检测分流电阻器上的压降, INA290-Q1 可提供进行超精密电流测量的功能。 INA290-Q1 采用 SC-70 封装,可更大程度地缩小解决方案的尺寸。
特性
• 符合面向汽车应用的 AEC-Q100 标准:
– 温度等级 1:–40°C 至 +125°C,TA
• 提供功能安全
– 可帮助进行功能安全系统设计的文档
• 宽共模电压:
– 工作电压:2.7V 至 120V
– 可承受电压:-20V 至 +122V
• 出色的共模抑制比 (CMRR):
– 160dB 直流
– 85dB 交流(50kHz 时)
• 精度
– 增益:
• 增益误差:±0.1%(最大值)
• 增益漂移:±5ppm/°C(最大值)
– 失调电压:
• 失调电压:±12µV(最大值)
• 温漂±0.2µV/°C(最大值)
• 可用增益:
– A1 器件:20V/V
– A2 器件:50V/V
– A3 器件:100V/V
– A4 器件:200V/V
– A5 器件:500V/V
• 高带宽:1.1MHz
• 压摆率:2V/µs
• 静态电流:370µA
引脚功能和配置
典型特性
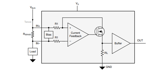
功能方框图
应用
• 固态 LiDAR
• 汽车 HVAC 压缩机模块
• 汽车内部加热器模块
• 汽车泊车加热器模块
• 汽车泵
龙腾半导体SGT MOSFET LSGT085R018在智慧农业无