时间:2025-04-10 13:57
人气:
作者:admin
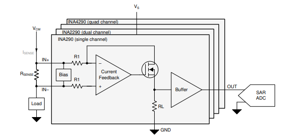
INAx290 是一款超精密电流检测放大器,可在 2.7V 至 120V 的宽共模范围内测量分流电阻器上的压降。该器件在 ±12µV(最大值)的超低失调电压、±0.1%(最大值)的小增益误差和 160dB(典型值)的高直流 CMRR 等特性的综合作用下,可实现超高精度的电流测量精度。 INAx290 凭借 1.1MHz(增益为 20V/V)的高带宽和 85dB(50kHz 时)的交流 CMRR,不仅适用于直流电流测量,还适用于高速应用(例如,快速过流保护)。
数据手册:*附件:INA290 采用小型(SC-70)封装的、2.7V至120V、1.1MHz、超精密电流检测放大器技术手册.pdf
INAx290 通过在 2.7V 至 120V 的宽共模范围内测量分流电阻器上的压降,可提供进行超精密电流测量的功能。 INAx290 器件采用十分节省空间的封装。单通道 INA290 器件采用 SC-70 封装,双通道 INA2290 器件采用 MSOP-8 封装,而四通道 INA4290 器件采用 4mm x 4mm 的 QFN 封装。
INAx290 由一个 2.7V 至 20V 的单电源供电,单通道器件每通道仅消耗 370µA 的电源电流(典型值)。这些器件具有五个增益选项:20V/V、50V/V、100V/V、200V/V 和 500V/V。借助零漂移架构的低失调电压,可在扩展工作温度范围(-40°C 至 +125°C)内使用低欧姆值分流器进行电流感应。
特性
• 宽共模电压:
– 工作电压:2.7V 至 120V
– 可承受电压:-20V 至 +122V
• 出色的共模抑制比 (CMRR):
– 160dB 直流
– 85dB 交流(50kHz 时)
• 精度
– 增益:
• 增益误差:±0.1%(最大值)
• 增益漂移:±5ppm/°C(最大值)
– 失调电压:
• 失调电压:±12µV(最大值)
• 温漂:±0.2µV/°C(最大值)
• 可用增益:
– A1 器件:20V/V
– A2 器件:50V/V
– A3 器件:100V/V
– A4 器件:200V/V
– A5 器件:500V/V
• 高带宽:1.1MHz
• 压摆率:2V/µs
• 静态电流:370µA(每通道)
引脚功能和配置
典型特性
功能方框图
应用
• 有源天线系统 mMIMO (AAS)
• 宏远程无线电单元 (RRU)
• 48V 机架式服务器
• 48V 商用网络和服务器电源
• 测试和测量
龙腾半导体SGT MOSFET LSGT085R018在智慧农业无