时间:2025-03-25 09:19
人气:
作者:admin
TLV3011-Q1 是一款低功耗、开漏输出比较器;TLV3012-Q1 是一款推挽输出比较器。这两款器件都具有非限定的片上电压基准,静态电流为 5µA(最大值),输入共模范围超出电源轨 200mV,单电源电压范围为 1.8V 至 5.5V。集成的 1.242V 系列电压基准提供 100ppm/°C(最大值)的低温漂,在高达 10nF 的容性负载下保持稳定,并且可以提供高达 0.5mA(典型值)的输出电流。
数据手册:*附件:TLV3011B-Q1 具有集成基准引脚和开漏输出的汽车类微功耗比较器技术手册.pdf
TLV3011B-Q1 和 TLV3012B-Q1“B”版本添加了上电复位 (POR)、失效防护输入、1.65V 的较低最小电源电压和 3.1µA 的最大静态电流。
该系列采用微型 SOT23-6 和 SC-70 两种封装,前者可实现节省空间的设计,后者可进一步节省电路板面积。所有版本的额定工作温度范围均为 –40°C 至 +125°C。
特性
• 符合汽车应用要求
• 具有符合 AEC-Q100 标准的下列特性:
– 器件温度等级 1:–40°C 至 +125°C 环境工作
温度范围
– 器件 HBM ESD 分类等级 2
– 器件 CDM ESD 分类等级 C3
• 低静态电流:3.1μA(最大值,“B”版本)
• 集成电压基准:1.242V
• 输入共模范围:超过电源轨 200mV
• 电压基准初始精度:1.5%
• 内置迟滞:6mV(典型值)
• 失效防护输入(“B”版本)
• 上电复位(“B”版本)
• 开漏输出选项 (TLV3011x-Q1)
• 推挽输出选项 (TLV3012x-Q1)
• 快速响应时间:2µS(“B”版本)
• 低电源电压 = 1.65V 至 5.5V(“B”版本)
引脚配置和功能
典型特性
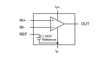
功能方框图
应用
• 车道偏离警告
• 仪表组
• 收费标签
• 资产跟踪
• 电池管理系统
典型应用
通常需要进行欠压检测,以提醒系统电池电压已降至可用电压电平以下。图 23 显示了一个使用 TLV3012-Q1 的简单欠压检测电路,该电路配置为具有集成 1.242V 基准电压的同相比较器,从外部连接到反相输入引脚 (IN-)。
龙腾半导体SGT MOSFET LSGT085R018在智慧农业无