时间:2025-03-24 19:32
人气:
作者:admin
目录
1. 运算放大器简介
2. 运算放大器的分析前提
3. 运算放大器的重要参数和测量方法(一)
1. 运算放大器简介
运算放大器(又称”运放“,英文全拼为Operation Amplifier,缩写为OP AMP)是一种模拟电路模块,它采用差分电压输入,产生单端电压输出。它可以对输入信号进行放大以及加、减、乘、除、微分、积分等数学运算,现多应用于信号放大功能。一个运算放大器至少要五个引脚,分别是正输入端IN+、负输入端IN-、电源正输入端V+、电源负输入端V-、输出端OUT。运算放大器有很多种类和参数,根据不同的应用场合,可以选择合适的型号和封装。运算放大器的工作原理和电路分析需要一定的基础知识,可以参考相关的教材或文章,笔记参考的是《模拟电子技术基础》和《OP放大电路设计》;

图1 运算放大器的电气符号
2. 运算放大器的分析前提
对于一个运算放大器搭建的电路,对其进行分析时,会将运算放大器视为理想云端放大器,一个理想放大器应该具备如下特性:
无限大的输入阻抗(Zin=∞):理想的运算放大器输入端不容许任何电流流入,即上图中的V+与V-两端点的电流信号恒为零,亦即输入阻抗无限大;
趋近于零的输出阻抗(Zout=0):理想运算放大器的输出端是一个完美的电压源,无论流至放大器负载的电流如何变化,放大器的输出电压恒为一定值,亦即输出阻抗为零;
无限大的开环增益(Ad=∞):理想运算放大器的一个重要性质就是开回路的状态下,输入端的差动信号有无限大的电压增益,这个特性使得运算放大器十分适合在实际应用时加上负反馈组态;
没有噪声:输入为0的状态下输出也为0;
从DC到无限大的带宽:理想的运算放大器对于任何频率的输入信号都将以一样的差动增益放大之,不因为信号频率的改变而改变;
可以稳定的加上深度负反馈
由以上特性,可以得出在分析运算放大器时经常使用的两个重要概念,“虚断”和“虚短”:
虚短:在分析运算放大器处于线性状态时,可把两输入端视为等电位,这一特性称为虚假短路,简称虚短,V- = V+ 。这一特性是由于运算放大器的开环增益非常高,导致输出电压只有在两输入端电压相等时才能稳定。虚短只适用于负反馈电路;
虚断:在分析运算放大器处于线性状态时,可以把两输入端视为等效开路,这一特性称为虚假开路,简称虚断,I- = I+ = 0。这一特性是由于运算放大器的输入阻抗非常高,导致输入端几乎不流入任何电流。虚断适用于任何电路;

图2 负反馈电路-虚短与虚断分析
由虚短和虚断的概念可知,虚短是具备一定的应用条件的,虚断的使用条件较为宽松,并且要明确,虚短不是真的短路,虚断也不是真的断路;
虚地:虚地由虚短和虚断的概念共同产生,在反相放大的深度负反馈状态下,理想运放的同相输入端过电阻接地,根据虚断条件,没有电流流过正相输入端,所以正相输入端的电位就是地电位,根据虚短条件,正相输入端和反相输入端的电位相同,反相输入端虽然没有与地连接,却和接地一样,这种状态叫做虚地;
3. 运算放大器的重要参数和测量方法(一)
作为电路元件,运算放大器拥有自身的电气特性参数,同时也因为现实中不存在理想放大器,开发者们为运算放大器规定了部分表示其“不理想”性能的参数:
供电电压(Vs,Supply Voltage):运放分为单电源供电和双电源供电,使用时一定要小于供电电压范围(如最大为36V,则单电源供电<36V,双电源供电∈±18V),并且在双电源情况下要同时接入,除此之外设计电路时要根据Vs留有裕量;
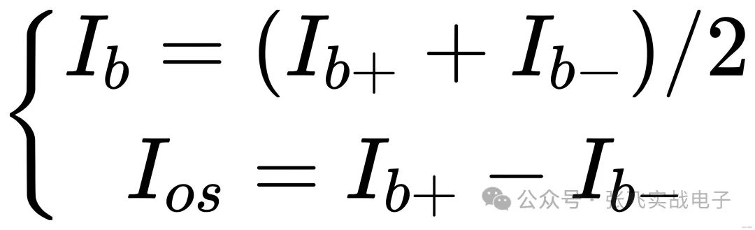
偏置电流(Ib,Bias Current):理想运算放大器的虚断特性指出,流入IN+和IN-的电流本该为0,但实际上由于内部晶圆/制造工艺/工作原理导致的问题(运放的输入端结构常由BJT或FET构成,BJT工作在放大区必须要有偏置电流输入,而非理想FET器件存在漏电流),使IN+和IN-流入的电流不为0,Ib与二者的关系如下,此参数越小越好

输入失调电流(Ios,Input Offset Current):输入失调电流被定义为正负输入端偏置电流的差值(Ib₊和Ib-),输入失调电压只有在正负输入端的偏置电流基本匹配时才有意义,与偏置电流的产生条件不同,失调电流是由放大器内部不对称导致的,所以多应用于电压反馈型放大器,对于电流反馈型放大器,其正负输入并不是对称设计;
短路电流(ISC):运放的短路电流是指在运放输出端短路时,运放输出端所能提供的最大电流。这一指标表明了运放的驱动能力。运放的输出短路电流与其内部结构和电源电压有关,不同类型的运放有不同的输出短路电流。运放的输出短路电流一般会在规格书中给出,实际分为源电流和阱电流,分别是输出端与V+和V-短接时的输出电流。测量时,放大器开环IN+和IN-相差±1V,分别将输出端连接V+和V-,测量流过OUT脚的电流;
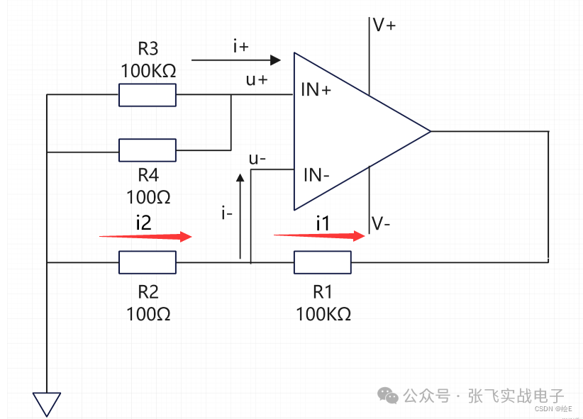
输入失调电压(Vos):根据虚短条件,理想放大器在IN-和IN+端的电压是相等的,但由于同相端和反相端失配,产生了固有电压差,在测量时,将其等效为一个通过IN-端输入的外部电压源,实际接线要将IN-端和IN+端短接并连接共模电平(单电源就是VCC/2,双电源就是(V-+V+)/2),图3是测量电路,输入失调电压可以等效为图4,确认为负反馈,可以使用虚短虚断原则,对电路的分析过程如下:

图3 输入失调电压的测量方法
根据叠加原理,体现在输出端的失调电压由偏置电流(i+和i-)和输入失调电压引起,计算时要将偏置电流引起的失调电压计算在内,而且由于失调电压的存在,此电路无法使用虚短条件
由偏置电流和输入失调电流列写方程

解出i+和i-关于IB和IOS的表达式

反相端电流满足
,可以得出

解出u-的表达式为

现在引入失调电压的影响,将失调电压等效成IN-脚输入的电压源,此时等效的运放可以视为理想运放,可以使用虚短原则分析等效运放的输入端电压:

图4 输入失调电压的等效运放

整理出uout

转换为Vout与Vos、IB、Ios的关系

运放的偏置电流相比于输入失调电压对输出失调电压的影响较小,而失调电流更小,几乎可以忽略,所以这里使R3和R4并联的值等于R1和R2并联的值,就可以消除偏置电流Ib对输出失调电压的影响,可以得出输出失调电压和输入失调电压的关系:

该方法称为匹配电阻法,一般设计为R1=R4,R2=R3,图3给出的电路,对输入失调电压放大倍数为1001倍;
输入失调电压温漂(dVos/dT):失调电压温漂是指运算放大器的输入失调电压随温度变化而变化的程度,通常用TCVOS来表示,单位是uv/℃。失调电压温漂会影响运算放大器的直流精度和稳定性,尤其是在宽温度范围内工作时,因此在选择放大器时应注意其失调电压温漂的大小和规格;
输入输出电压:输入电压范围指输入端可识别的电压范围,通常在规格书中会给出输入共模电压(Common-mode Input Range High/Low)两个参数,分别对应了该运放可输入的最高电压和最低电压,也可以称为输入轨,运放以单电源供电时,输入不是轨到轨(Rail To Rail,即一般低压器件都能达到电源电压)将限制电压的输出范围。运放的输出电压范围指输出端可输出的电压范围,也被称为输出轨,输出轨到轨指输出轨逼近电源轨,通常为了放大近地点的小信号,要将运放接为双电源,以扩大运放的输入输出范围;
开环电压增益(AVO):运放的开环增益是指运放在没有负反馈的情况下,输出电压和输入电压之间的比值。也就是说,它是运放本身具备的放大能力。运放的开环增益通常用分贝(dB)表示,一般在60dB到160dB之间。运放的开环增益随着输入信号的频率增加而下降,通常从运放内部的第一个极点开始,其增益就以-20dB/10倍频的速率开始下降,第二个极点开始加速下降。运放的开环增益会影响运放的直流性能和闭环增益;
噪声(Noise):噪声是固有的,无法消除的,所以噪声越小越好,尤其是放大小信号时,必须使用低噪声运放。由运算放大器搭建的电路。其噪声分为电路噪声和运算放大器噪声,这里主要分析运算放大器的噪声,也就是本征噪声,电路噪声需要在实际情况下考虑。运算放大器的噪声主要分为电阻热噪声,电压噪声和电流噪声,又分为低频噪声和宽带噪声,低频噪声指1/f噪声,分析1/f噪声需要了解噪声谱和噪声相关的参数,这里做一下简单介绍;
噪声 - 信噪比(SNR,Signal-to-noise ratio):为信号功率(Power of Signal)与噪声功率 (Power of Noise)的比值,同时为信号幅值(Amplitude)和噪声幅值比值的平方。单位为db,计算公式如下,并且幅值和功率符合P = U²/R的关系;

噪声 - 噪声频谱密度(NSD,Noise Spectral Density):噪声频谱是噪声幅值在频率上的分布图,噪声功率谱是单位频带宽度内的噪声平均有效功率分布图,噪声频谱密度代表了将一定宽度的频谱中的所有能量(dBm)汇总起来与该端带宽(Hz)的比值,实际使用单位是nV/rt-Hz,使用频谱分析仪测量时,多数频谱分析仪可以显示噪声功率dBm和带宽Hz,将频谱分析仪得出的数据进行转化,转化时,需要明确频谱分析仪的输入阻抗R,频谱分析仪的分辨率带宽RBW(Res BW),分辨率带宽与噪声带宽的转换系数Kn,以下为转换过程:

式子1-4表明了由dBm到噪声电压有效值的转换过程,式5-6表明了电压有效值到频谱密度的转换过程,NdBm是频谱分析仪的可观测值,RBW是可设置的频谱分析仪的分辨率(设置频谱分析仪每隔多少带宽测一次),Kₙ多为1.128,与频谱分析仪自身特性有关(目前我并不能确定Kₙ和RBW的乘积是否代表了此段有效电压对应的带宽转化);
噪声 - 均方根噪声:均方根(RMS)噪声指对给定频率内的电压谱密度的平方积分再开根号所得到的值,代表了该段噪声的有效值;
噪声 - 峰峰值噪声:指测量到的噪声信号最大值和最小值的幅度差,常用理论计算为6倍的RMS噪声,不会超过6.6倍,因为运算放大器的噪声测量,随着测量时间的越来越长,噪声关于时间的分布曲线会基本类似贝尔曲线(正态分布曲线)。对于贝尔曲线来讲,噪声的平均值μ几乎为0,在这种情况下,均方根和标准差是相等的,而不同的人对峰峰值噪声位于贝尔曲线的位置定义也不同,所以峰峰值噪声的定义取决于测量者的测量标准,当取值为99.7%(μ±3σ)时,需要6个标准差,即峰峰值是6倍的均方根,当取值为99.9%时,需要6.6个标准差,即峰峰值噪声是6.6倍的均方根,基本不会出现比99.9%更高的取值。通常测量的峰峰值噪声仅通过两个点测量差值表示,远不及RMS噪声的多角度观察表达的全面;

图3 运放的噪声谱密度曲线
噪声 - 1/f噪声:在知道噪声谱和噪声谱密度后,对1/f的分析会顺利许多。1/f是一种低频噪声,使用噪声谱形状命名,噪声功率与频率成反比,斜率为1/f,下图为某款运放的电压噪声谱密度图(电压的单位是nV,电流的单位是pA,电流相对于电压噪声的影响较小,这里分析电压噪声),可以看到曲线存在明显的转折,以转折为分界,图像可以被分为两个区域,分别是1/f噪声区和宽带噪声区,两区域交越点为1/f转折频率。规格书为标准化运放对比,将1/f的测量范围定义为0.1Hz - 10Hz的带宽范围内的运放噪声,测量时可通过频谱分析仪观察,或者接为单位增益,IN+端接地(单电源接Vref),输出端经过1K增益后,由有源4阶主动带通滤波器进行滤波,测量OUT端的输出;
噪声 - 宽带噪声:宽带噪声指高频部分噪声谱密度十分平坦的噪声区域,通常由白噪声构成;
小信号带宽:是指在小信号输入条件下,随输入信号频率增大,输出幅值逐渐下降至指定值(通常使用半功率点-3dB,对应幅值0.707)时,该特定频率为小信号带宽,此参数与增益带宽积密切相关,小信号一般规定在100mVpp以下;
增益带宽积(GBP):通常指当运算放大器在小信号环境下工作时,电压反馈运算放大器的带宽和闭环增益的乘积是一个定值,代表在满足一定条件时,运放的开环增益和频率成反比,这个特性在运放系统闭环依旧近似成立,在输入信号频率比较高时是非常重要的参数,通常用于评估闭环工作运放的的带宽性能,闭环所能接受的增益衰减为-3dB(半功率点),增益带宽积的理论公式表示为:

测量时,将运放接为反相放大,在IN+端输入一个预估的小信号频率(如10KHz),逐渐增加频率,直到幅度衰减到0.707(-3dB实际为-3.01029995663dB,对应10log(1/2),即功率下降1/2,根据P = U²/R得到0.707)。当GBP不足时,输入小信号高频正弦波,其输出频率大致不变,但放大倍率会出现严重衰减;
大信号带宽:也叫作满功率带宽,在大信号输入条件下,随输入信号频率增大,输出幅值逐渐下降至指定值(通常使用半功率点-3dB,对应幅值0.707)时,该特定频率为大信号带宽,此参数与压摆率密切相关,大信号需要根据运放的输入输出轨给定范围;
压摆率(SR):也叫电压转换速率,其定义为电压在1us/1ns时间内电压的上升幅度,即运放输出电压可以达到的最大摆动速率,可反映运算放大器在速度方面的性能,测量时,通常测量其在阶跃信号输入情况下的上升时间(10%~90%),幅值和时间的比值为测量的压摆率。理论计算公式为:

这种计算方式的来源是当运放输入正弦波时,Vout = Vpksin(ωt),压摆率是电压对时间的微分,对等式两侧求导,有dV/dt = Vpkωcos(ωt),又因为ω=2πf,|cos|≤1,得出SR≥2πfVpk。当SR不足时,输入幅值较大,频率适中的正弦波,输出增益大致不变,但输出波形会严重失真;
静态电流(ISY):定义为运放在没有负载情况下的待机电流,或建立静态工作点(运放仅有直流信号输入,输出稳定的状态)时的电流,此值越小越好,在低功耗场合下是非常重要的指标,且低功耗运放的其他性能相对较差,需要根据实际情况进行分析。测量时将反相输入端和输出端短接,正相输入端接共模电平(单电源就是VCC/2,双电源就是(V-+V+)/2),此时满足无负载,输入为直流,输出稳定的工作状态,测量流过VCC+的电流,就可以得到静态电流;
共模抑制比(CMRR):共模抑制比用于衡量运算放大器抑制两端输入信号的共模部分的能力,共模信号指两个输入端同时受到的干扰信号,比如电网噪声,外部辐射等。共模抑制比的单位是dB,此值越大代表对共模信号的隔离能力越强,计算方法为CMRR = AD/AC,AD是差模增益,AC为共模增益,共模增益的产生实际上也是由于内部电路不匹配导致共模信号输入后出现差异,最终体现到输出端,可以等效到输入端,被视为输入失调电压的一种,测量方法如下;

共模信号和差模信号同时考虑,在输出端的计算为

代入CMRR,可以得出

此电路中DUT为待测运放,仅作为输入源,输出为由输入失调电压、偏置电流、输入失调电流引起的输出失调电压,实际起放大作用的是辅助运放,计算方式与测量输入失调电压基本一致,并且可以将共模输入引起的输出失调电压等效成输入失调电压,即Vos = Vos‘+Vcos,可以得出如下uout与CMRR的关系:

更改Vin的大小,再次测量

将两次的式子相减,得出CMRR的表达式

Vin+和Vin-设置为正负电源轨,测试时仅需测量两次辅助运放的输出就可以得出CMRR的值,规格书通常使用dB为单位表示,转换公式为:

电源电压抑制比(PSRR):这里只研究直流电源电压抑制比(DC PSRR),指运放供电电压的变化,引起运放输入失调电压的变化,这两个变化之比就是运放的直流电源抑制比,理想运放的电源电压变化时,其输出电压应该是保持稳定的,但实际运放会因为部分非理想特性(如输入失调电压)的存在,其输出电压会产生变化,电源电压抑制比按照定义写为:

在测量时,本质上是测量对应到输出端的输入失调电压的变化,测量电路与共模抑制比基本一致,将原本的VIN端接共模电平,测试时改变DUT的供电电压ΔV,测量辅助运放的输出变化,根据电路可列写PSRR和辅助运放输出电压的关系;
4. 结语
因为CSDN的公式编辑器突然打不开(公式也变成图片了),笔记只能暂时结束,模电是美丽又难以理解的学科,不过是时候回到FPGA的学习中了;
原文链接:
https://blog.csdn.net/weixin_45720681/article/details/130495365
-- END --
免责声明:本文转自网络,版权归原作者所有,如涉及作品版权问题,请及时与我们联系,谢谢!
龙腾半导体SGT MOSFET LSGT085R018在智慧农业无