时间:2025-03-25 14:50
人气:
作者:admin
INA296x-Q1 是一款超精密双向电流检测放大器,可在 -5V 至 110V 的宽共模范围内测量分流电阻器上的压降,与电源电压无关。该器件在低失调电压(±10µV,最大值)、较小增益误差(±0.01%,最大值)和高直流 CMRR(典型值为 166dB)等特性的综合作用下,可实现高精度电流测量。INA296x-Q1 拥有 1.1MHz 的高信号带宽和快速稳定时间,不仅适用于高压双向直流电流测量,还适用于高速应用(例如,瞬态检测和快速过流保护)。
数据手册:*附件:INA296B-Q1 符合AEC-Q100标准的-5V至110V、双向、1.1MHz、8V µs、高精度电流检测放大器技术手册.pdf
INA296x-Q1 由 2.7V 至 20V 的单电源供电,消耗 2.5mA 的电源电流。INA296x-Q1 有五个增益选项:10V/V、20V/V、50V/V、100V/V 和 200V/V。运用多个增益选项,可实现在可用的分流电阻值和宽输出动态范围要求之间进行优化。
INA296x-Q1 的额定工作温度范围为 -40°C 至 125°C。
特性
• 符合面向汽车应用的 AEC-Q100 标准:
– 温度等级 1:–40°C 至 125°C,TA
• 功能安全型
– 可提供用于功能安全系统设计的文档
• 宽共模电压:
– 工作电压:-5V 至 110V
– 可承受电压:-20V 至 120V
• 双向运行
• 较高的小信号带宽:1.1MHz(在所有增益下)
• 压摆率:8V/µs
• 阶跃响应稳定时间为 1%:1µs
• 出色的共模抑制比 (CMRR):166dB
• 精度:
– 增益误差(最大值)
• 版本 A:±0.01%,±1ppm/°C 温漂
• 版本 B:±0.1%,±5ppm/°C 温漂
– 失调电压(最大值)
• 版本 A:±10µV,±0.1µV/°C 温漂
• 版本 B:±150µV,±0.5µV/°C 温漂
• 可用增益:
– INA296A1-Q1:10 V/V
– INA296A2-Q1:20 V/V
– INA296A3-Q1:50 V/V
– INA296A4-Q1:100 V/V
– INA296A5-Q1:200 V/V
• 封装选项:SOT23-8、VSSOP-8、SOIC-8、
VSSOP-10
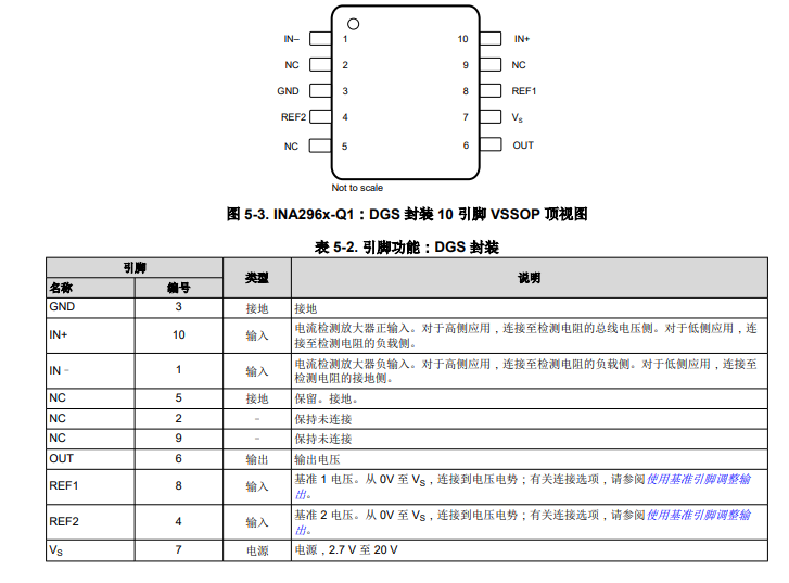
引脚配置和功能
典型特性
功能方框图
应用
• 直流/直流转换器
• 电池管理系统 (BMS)
• 燃料电池控制单元
• 智能接线盒
龙腾半导体SGT MOSFET LSGT085R018在智慧农业无