时间:2025-04-01 11:21
人气:
作者:admin
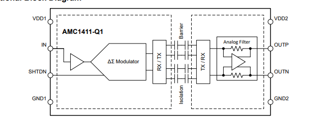
AMC1411-Q1是一款精密隔离放大器,其输出通过电容隔离屏障与输入电路隔开,该屏障高度抗磁干扰。根据VDE V0884-11和UL1577,该屏障经认证可提供高达7.5 kVRMS的强化电隔离,并支持高达1600 VRMS的工作电压。
数据手册:*附件:AMC1411-Q1 具有高CMTI的汽车类2V输入、精密电压检测增强型隔离式放大器技术手册.pdf
隔离屏障将系统中在不同共模电压水平下运行的部分隔开,并保护低压侧免受可能造成电气损坏或对操作员有害的电压的影响。
AMC1411-Q1的高阻抗输入经过优化,可连接到高阻抗电阻分压器或其他高阻抗电压信号源。出色的直流精度和低温漂移支持车载充电器(OBC)、DC/DC转换器、牵引逆变器或其他必须在高共模电压、高海拔或高污染程度环境中运行的应用中的精确隔离电压传感。
AMC1411-Q1采用拉伸的8针SOIC封装,符合AEC-Q100标准,适用于汽车应用,支持-40°C至+125°C的温度范围。
特征
•AEC-Q100符合汽车应用标准:
–温度等级1:-40°C至+125°C,TA
•功能安全能力
–可用于辅助功能安全的文件
系统设计
•优化2-V高阻抗输入电压范围
用于隔离电压测量
•固定增益:1.0
V/V
•低直流误差:
–偏移误差±1.5
mV(最大值)
–偏移漂移:±10μV/°C(最大)
–增益误差:±0.2%(最大值)
–增益漂移:±30
ppm/°C(最大)
–非线性0.04%(最大值)
•高压侧和低压侧为3.3V或5V操作
•缺少高压侧电源检测功能
•高CMTI:100
kV/μs(最小)
•≥15.7mm爬电,拉伸SOIC封装
•加强隔离:
–符合DIN VDE
V的10600-VPK加强隔离
0884-11: 2017-01
–根据UL1577,7500-VRMS隔离1分钟
引脚功能和配置
典型特性
功能框图
典型应用
应用
•隔离电压传感:
–牵引逆变器
–车载充电器
–DC/DC转换器
–HEV/EV直流充电器
龙腾半导体SGT MOSFET LSGT085R018在智慧农业无