时间:2025-03-15 11:31
人气:
作者:admin
TRF1213 是一款超高性能射频(RF)放大器,专门针对射频应用进行了优化。在驱动高性能 AFE7950 或 ADC12DJ5200RF等射频采样模数转换器(ADC)时,此器件非常适合需要进行单端转差分的交流耦合应用。此器件结合了宽带增益块和宽带无源换衡器的功能。片上匹配元件可简化印刷电路板(PCB)的实现方案,在可用带宽内具有超高性能。此器件采用德州仪器(TI) 先进的互补 BiCMOS 工艺制造,并采用节省空间的 WQFN-FCRLF 封装。TRF1213 由单轨电源供电,消耗约 174mA 的运行电流。断电功能还有助于实现节能。
数据手册:*附件:TRF1213 100MHz 至14GHz、3dB带宽,单端转差分射频放大器 数据表.pdf
特性
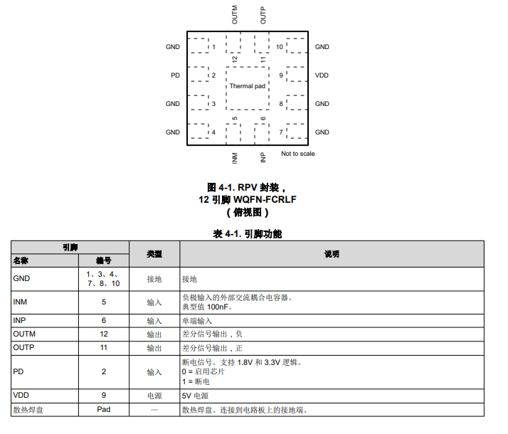
引脚配置和功能图
功能方框图
下图显示了 TRF1213 的功能方框图。该器件基本上包含两个采用电压反馈配置的级。
典型应用
介绍了一个射频接收器链,其中 TRF1213 用作单端转差分 (S2D) 放大器并驱动 AFE7950 的接收通道。图 7-4 显示了由 TRF1213 驱动 AFE7950 接收通道的设计的通用原理图。元件的确切值取决于匹配 AFE7950 前端的频带。
龙腾半导体SGT MOSFET LSGT085R018在智慧农业无