时间:2025-03-21 11:22
人气:
作者:admin
TLV3604、TLV3605(单通道)和 TLV3607(双通道)是具有 LVDS 输出和轨至轨输入的 800ps 高速比较器。这些比较器具有上述特性以及 2.4V 至 5.5V 的工作电压范围和 3Gbps 的高切换频率,因此非常适合激光雷达、时钟和数据恢复应用以及测试和测量系统。
数据手册:*附件:TLV3607 具有LVDS输出的800ps双路高速轨至轨输入比较器技术手册.pdf
同样,TLV3604、TLV3605 和 TLV3607 具有 350ps 的强大输入过驱动性能,并且能够检测仅 600ps 的窄脉冲宽度。由于输入过驱动而导致的传播延迟变化较小,与检测窄脉冲的能力相结合,不仅提高了系统性能,而且扩展了飞行时间 (ToF) 应用中的距离范围。
TLV3604、TLV3605 和 TLV3607 的低压差分信号 (LVDS) 输出还有助于提高数据吞吐量并优化功耗。互补输出通过抑制每个输出上的共模噪声来降低 EMI。LVDS 输出旨在驱动和直接连接可接受标准 LVDS 输入(例如高速 FPGA 和 CPU)的下游器件。
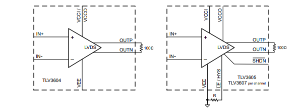
TLV3604 采用微型 6 引脚 SC-70 封装,因此更适用于空间敏感型应用,例如光学传感器模块。TLV3605(单通道)和 TLV3607(双通道)保持与 TLV3604 相同的性能,并在 12 引脚 QFN 和 16 引脚 WQFN 封装中提供可调节的迟滞控制、关断和锁存特性,因而成为测试和测量应用的理想选择。
特性
• 低传播延迟:800ps
• 低过驱动分散:350ps
• 静态电流:12.1mA
• 高切换频率:1.5GHz / 3.0Gbps
• 窄脉宽检测功能:600ps
• 数模转换器 (LVDS) 输出
• 电源电压范围:2.4V 至 5.5V
• 输入共模范围超出两个电源轨 200mV
• 低输入失调电压:±5mV
• 单通道和双通道选项
引脚功能和配置
典型特性
功能方框图
应用
• 激光雷达中的距离感测
• 飞行时间传感器
• 示波器和逻辑分析仪中的高速触发器功能
• 高速差分线路接收器
• 无人机视觉
典型应用
龙腾半导体SGT MOSFET LSGT085R018在智慧农业无