时间:2025-03-24 09:53
人气:
作者:admin
TLV3011-EP 是一款低功耗、开漏输出比较器;TLV3012-EP 是一款推挽输出比较器。这两款器件都具有非限定的片上电压基准,静态电流为 3.1µA(最大值),输入共模范围超出电源轨 200mV,单电源电压范围为 1.65V 至 5.5V。
数据手册:*附件:TLV3012-EP 具有推挽输出的增强型产品微功耗单路比较器技术手册.pdf
集成的 1.242V 系列电压基准提供 100ppm/°C(最大值)的低温漂,在高达 10nF 的容性负载下保持稳定,并且可以提供高达 0.5mA(典型值)的输出电流。
TLV3011-EP 和 TLV3012-EP 采用微型 SOT-23-6 封装,可实现节省空间的设计。这两款器件的额定工作温度范围为 -55°C 至 125°C。
特性
• VID V62/07604-01XE (TLV3011-EP)
• VID V62/23603-01XE (TLV3012-EP)
• 受控基线
– 一个组装 - 测试基地
– 一个制造基地
– 延长了产品生命周期
• 为制造资源减少 (DMS) 提供增强型支持
• 扩展温度范围为 -55°C 至 125°C
• 低静态电流:3.1μA(最大值)
• 集成系列电压基准:1.242 V
• 输入共模范围:超过电源轨 200mV
• 电压基准初始精度:1%
• 开漏输出 (TLV3011-EP)
• 推挽式输出 (TLV3012-EP)
• 集成迟滞(仅限 TLV3012-EP)
• 失效防护输入(仅限 TLV3012-EP)
• 上电复位(仅限 TLV3012-EP)
• 电源电压范围:1.65V 至 5.5V(仅限 TLV3012-
EP)
• 快速响应时间:2μs
• 微型封装:SOT-23-6
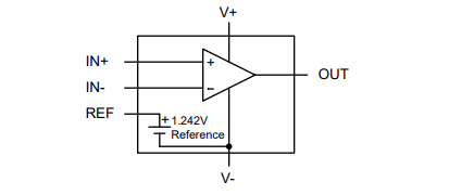
引脚功能和配置
典型特性
功能方框图
应用
• 电池供电型液位检测
• 数据采集
• 系统监测
• 振荡器
• 传感器系统
典型应用
龙腾半导体SGT MOSFET LSGT085R018在智慧农业无