时间:2025-03-24 10:10
人气:
作者:admin
OPAx863 器件是单位增益稳定的低功耗、轨到轨输入/输出、电压反馈运算放大器,旨在于 2.7V 至 12.6V 的电源电压范围内运行。OPAx863 每通道仅消耗 700µA 的电流,提供的增益带宽积为 50MHz,压摆率为 105V/µs,电压噪声密度为 5.9nV/√Hz。
数据手册:*附件:OPA4863 四通道低功耗110MHz RRIO电压反馈放大器技术手册.pdf
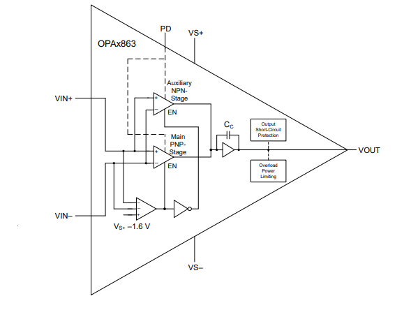
由 2.7V 电源供电的轨到轨输入级适用于便携式电池供电型应用。轨到轨输入级可在整个输入共模电压范围内很好地匹配增益带宽积和噪声,从而在宽输入动态范围内实现出色的性能。OPAx863 具有断电 (PD) 模式,PD 静态电流 (I Q) 为 1.5µA(最大值),并在 6.5µs(电源电压为 3V)时间内开启或关闭。
OPAx863 包括过载功率限制功能,可限制输出饱和时 I Q 的增加,从而避免电池供电的功率敏感型系统中出现过度功率耗散。输出级具有短路保护功能,使得此类器件可适应恶劣的环境。
特性
• 宽带宽
– 单位增益带宽:110MHz (AV = 1V/V)
– 增益带宽积:50 MHz
• 低功耗
– 静态电流:700 µA/通道(典型值)
– 断电模式:1.5 µA(最大值,VS= 3V)
– 电源电压:2.7V 至 12.6V
• 输入电压噪声:5.9 nV/√Hz
• 压摆率:105 V/µs
• 轨到轨输入和输出
• HD2/HD3:在 20 kHz (2VPP) 时为 –129dBc/–
138dBc
• 工作温度范围:
–40°C 至 +125°C
• 其他特性:
– 过载功率限制
– 输出短路保护
• 高精度版:OPAx863A
引脚功能和配置
典型特性
功能方框图
应用
• 低功耗 SAR 和 Δ-Σ ADC 驱动器
• ADC 基准缓冲器
• 低侧电流检测
• 光电二极管 TIA 接口
• 电感式传感
• 超声波流量计
• 多功能打印机
• MDAC 输出缓冲器
• 增益和有源滤波器级
典型应用
龙腾半导体SGT MOSFET LSGT085R018在智慧农业无